Hirdetés
- Samsung Galaxy Watch (Tizen és Wear OS) ingyenes számlapok, kupon kódok
- Samsung Galaxy S26 Ultra - fontossági sorrend
- Fotók, videók mobillal
- Samsung Galaxy S23 és S23+ - ami belül van, az számít igazán
- CMF Phone 1 - egy jó telefon
- Külföldi prepaid SIM-ek itthon
- Milyen okostelefont vegyek?
- iPhone topik
- Xiaomi 15 - kicsi telefon nagy energiával
- Xiaomi 14 - párátlanul jó lehetne
-
Mobilarena
AMD K6-III, és minden ami RETRO - Oldschool tuning
Megnyitott a Retro beárazás topik!
Új hozzászólás Aktív témák
-
envagyok
veterán
válasz
DarthSun
#56798
üzenetére
Egy embernek én is szerencsére személyesen vittem el a vga-t, amit ő ügyesen amolyan usb plugnplay módra járó gépnél szeretett volna kicserélni. Szerencsére olyat üvöltöttem rá, hogy elugrott ijedtében. Postán küldve biztos jött volna az anyázás hogy rosszat küldtem, és még a gépét is elrontotta a szemét amit küldtem

-
Ha jól értem a táp rá volt dugva a lapra és be is volt kapcsolva mikor csatlakoztattad a VGA- t ? ATX- es lapnál bármilyen eszköz cseréjekor/csatlakoztatásakor ki kell kapcsolni a tápot is. A készenléti áramot power off esetén is megkapja, tönkremehet a lap vagy a behelyezett alkatrész is, áram alatti cserélgetéskor, esetleg a HDD/optika/floppy kivétel, de én minden ilyen esetben lekapcsolom a tápot. Ha nincs rajta kapcsoló, akkor az elosztót lövöm ki vagy kihúzom a 230- at.
-
flymi
addikt
Értem és kösz.
+8-as tápcsati a proci részlegen. Nem kell, de jó ha van -> Ilyet még nem próbáltam. Nem tudtam, h anélkül is működne. Ezért mondtam, hogy ti jobban értetek hozzá. Én csak kezdő vagyok, de tanulok.
De akkor lenne itt egy másik kérdés is...
Sparkle 6800GS-t betettem a teszgépbe, azonnal elindította a vasat, ez előfordul.
Win tölt, kékhalál majd újraindul az egész. WTF? Kikapcsoltam még a psu-t is.
Visszakapcsoltam mindent, most már power on-ra indul, újra tölt a win, eddig jó, nézem a cpu-z 3800-at mutat (3,4 Prescott), kékhalál.
Újraindítottam megint, harmadszorra minden rendben volt, cpu-z 3400, gpu-z is ok. Most már a 3dmark tesztek futnak. Nem állítgattam semmit bios-ban, "univerzális driver" van fent, 93.71 WHQL ha jól tévedek.
Mitől dobhatott kékhalált?
-
flymi
addikt
Ez elég kértértelmű volt, hogy a pci-e csatira értetted-e vagy az angol tudásomra.

Fordítás szerint ez a csatlakozó kiegészítő tápforrást biztosít a pci-e slothoz hozzáadott eszközök számára.
Ebből nem derül ki számomra, hogy hogy minden alkalommal használnom kell-e vagy opcionális, de sejtésem szerint az utóbbi lesz, csak gondoltam megkérdezem, ti jártasabbak vagytok hw témában. -
flymi
addikt
Kösz, a dokut én is láttam, de nem lettem tőle okosabb.
Ez a foglaltból való áramfelvételt segíti gondolom. Az lenne a lényeg, hogy minden alkalommal használjam ha vga-t pakolok bele, vagy elég akkor is, ha nagy fogyasztású vagy tuningolni való vga kerül bele? (egyébként nem tuningolok)
Ezzel pedig jokeph-nek is válaszoltam.
-
Sanchez638
addikt
Nah takarításon átesett DFI lap kitűnően veszi az akadályokat. A hűtésre meg kíváncsi vagyok. Elég kicsike a bordázat, viszont Vapor Chamber-es.
-
flymi
addikt
Srácok!
Abit AB9 Pro lapnál van kiegészítő ATX 12V csati a PCI-E slot mellett. Ezt mikor kellene pontosan használni? -
flymi
addikt
válasz
Sanchez638
#56777
üzenetére
OMG!

-
jokeph
nagyúr
válasz
Sanchez638
#56777
üzenetére
Azt hiszem, ezt nevezik "fellelt" állapotnak.

-
Ranagol_5
őstag
válasz
Sanchez638
#56777
üzenetére
Ez szerencsere, mint a kepen is latszik, tiszta mint a feher ho.
Ahogy olvasgattam eleg jo tuning lap, egy hatlapot kell majd vadasznom hozza ebay-rol meg egy jo quad c2d-t.
-
Ranagol_5
őstag
Ma szerzemeny. (vagyis multheti, csak ma voltam erte tatabanyan)
XFX NForce 680i LT SLI -
jokeph
nagyúr
válasz
Sanchez638
#56766
üzenetére
Hoppá, benéztem, az a cikk tényleg az am2-s (mondjuk, azon kivül hogy ddr2-es, meg nagyobb a HT link nem nagy difi van).

-
flymi
addikt
-
jokeph
nagyúr
Hát, az egy jó kérdés.... mondjuk, a hangcucca nem rossz, meg van ugye RAID-olható +2 IDE port, illetve van külső chip vezérelt S-ATA I. port.
Anno ez elég extra volt már.

Meg még emlitésre méltó lehet rajta a Dual-Bios megléte, ekkortájt kezdhette a Gigabyte ezt beépiteni a lapjaiba (meg azóta is).
-
flymi
addikt
válasz
jokeph
#56769
üzenetére
Csak annyi ideig kellene működjön, amíg tesztelem. Elvileg most egy P4 533fsb 2.66 van benne.
Arra még mindig nem derült fény, hogy vajon milyen megfontolásból biggyesztették az ultrát a neve után?!Ranagol_5:

A másik két tesztelendő lap már jobb lesz, egy Abit AB9 Pro és egy Abit IP35V.

-
jokeph
nagyúr
A 3 GHZ-es Northwood a legkomolyabb amit visz, prescott nuku.
Ami nem is csoda, mivel ez i845PE chipset-es lap.
Egy kivételt ismerek, az az Asus P4PE2-X lapja, abban már mentek a prescott magod cerkák és penyák, de dual channel ram ott sincsen.
400-as RAM-ot kell vigye, de CPU függvényében 266/333-on.
(#56768) sanchezsa:
Furcsa lenne, ha tudná a dual-channelt. S478-nál ahhoz i865/875 chipset kell, i845-ök nem tudták még.
Max 2 GB ramot visznek ezek a lapok.
-
flymi
addikt
Szomorúan konstatáltam, hogy a GA-8PE800 Ultra lap nem támogatja a komolyabb Northwood és Presi procikat.
Jövő héten tesztelnem kell pár lapot (többek közt ez is köztük lesz) és utánanéztem, hogy van-e megfelelő hardverem hozzá. DDR 266/333 ramom például nincs, csak 400-as. Ha azt beleteszem elvileg attól még működnie kell nem?
Mitől olyan "Ultra" ez a lap?
-
jokeph
nagyúr
válasz
Sanchez638
#56764
üzenetére
Ez az ?

Erről annyi a tudomány, hogy S939-es Athlon 64 X2 belemegy, HT 1000 MHZ, max 4 GB DDR1-es 400-as ram, S-ATA II. 3Gbs portok, 2*x16 SLI konfig.
Bővebben ITT van infó róla.
![;]](//cdn.rios.hu/dl/s/v1.gif)
-
Sanchez638
addikt
Vettem egy koszos kis félkonfigot, viszont volt benne egy Dfi Infinity (dfi nf4 ultra u) lap. De zöld nyákos... Tud valaki infot róla?
Volt rajta egy ID Vapor Chill, benne meg egy 4000+ Athlon (egymagos)
-
Bile Demon
őstag
válasz
cbmfan
#56760
üzenetére
A jumperek egyik állása:
AUTO VCORE, ilyenkor a proci VID lábai adják meg az alaplapi VRM-nek, hogy mekkora feszt állítson elő, ekkor mindegy hogy állnak a DIP kapcsolók.
A jumperek másik állása:
MANUAL VCORE, ilyenkor az 5db DIP kapcsoló szimulálja a processzor VID lábai helyett a feszültségigényt.A jumpereknek mindig egyformán kell állnia, vagy mind fent, vagy mind lent. Hogy melyik az AUTO és melyik a MANUAL az jó kérdés. Csak van valami A és M jelzés.
-
cbmfan
senior tag
válasz
Sanchez638
#56759
üzenetére
de, a feszültség beállításhoz. jumperekhez viszont nincs semmi.
-
cbmfan
senior tag
a minap találtam egy ilyet:

van valakinek leírása hozzá? konkrétan semmit sem találtam, felirat nincs rajta, elcseszni meg nem akarom lapot/procit.
-
BX- es lap.
Meghajtók :
Primary Master...............: HARD DISK WDC AC2635F
Primary Slave................: HARD DISK Maxtor 2F030J0
Secondary Master.............: CD/DVD ROM CREATIVECD3621E
Secondary Slave..............: CD/DVD ROM LG CD-ROM CRD-8521BValami anomália lapul itt, dosos WT szerint a WD tudja a DMA- t, a Maxtor pedig nem, Win szerint meg fordítva van
(valójában a Maxtor biztosan tudja, WD- t még ki kell deríteni) , kénytelen vagyok utánajárni, de jöhet tipp is ha van. -
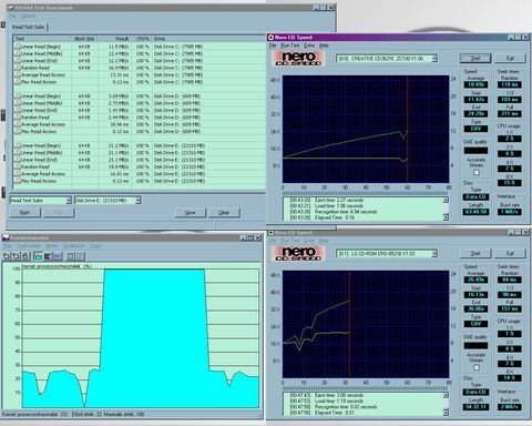
Mai menü : drives tesztek a P2- őn. HDD sebességet nem is mértem még Win98- as gépen
, nem is volt mivel. A Sandra2000 feltelepül de nem méri, a HDTune, CrystallDisk és a SpeedOut_0.5 pedig nem megy 98 alatt. Aida - nemrég panasz volt rá hogy méri, de 100% a procihasználat. Nálam is befigyelt. Ellenőriztem az erőforrás-figyelővel is. Viszont akkor azt nem értem hogy nagyobb játék alatt, ahol menetközben is bőszen töltöget a HDD, miért nem akadozik a grafika? A képen az 1. és 3. partíció a 30GB Maxtoron van, a 2. pedig a dosos WD. A Maxtoron aktívra jelzi a DMA- t, a WD nem megy DMA- ban, bepipálom, restart, de eltűnik a pipa. A kábel 40 eres, 80 eressel kiakad a gép, valamint avval a Maxtoron sem megy a DMA. Az optikák is 40 eressel vannak bekötve, DMA aktív, rendben is van a mérésük. 15% proci kb a 8x- os sebességhez, elég is egy P2- höz. Nero DriveSpeed- el fixálni is lehet a sebességet CD esetén (DVD esetén hatástalan). Ezek a meghajtók kissé öregednek már. A Creative- ban a Win98 hologramos telepítőlemeze (2005- ben vettem), az LG- ben pedig az egyik Awe32 SoundFont CD ment (2000- ben került hozzám használtan). A Creative a lemez végén lassított csak kissé, az LG megingott rendesen, de aztán felgyorsult. A lemezek jók, az új DVD meghajtó max sebességgel végigpásztázza őket.Szóval a HDD...hmm...érdekes, de használat közben nem okoz problémát
.Chipset driver tuti fent van rendesen, igazából nem értem, mindegy majd a következő Win98- as gépen is ellenőrzöm. -
flymi
addikt
válasz
Sanchez638
#56753
üzenetére
Mindegy, végül is megoldottam. A táp résznél van két púpos kondi. Viszem egy szakihoz a jövő héten, cserélte a kondikat le is tudja tesztelni.
-
flymi
addikt
válasz
Sanchez638
#56751
üzenetére
Kívülről próbáltam azt is, de csak összekaristoltam vele a burkolatot. Viszont belülről alá kell nyúlni és feszíteni felfelé és egyszer csak megindul. Kívülről esélytelen volt.
-
flymi
addikt
Jelentem fél órámba telt, de szétkaptam az LG monitort. A matatóujjaim kicsik fájnak is, határozottan erőszakosnak kell lenni, hogy egy gyárilag összeszerelt, sosem javított példányról le lehessen feszegetni a műanyag burkolatot főleg a sarkoknál, de közben azért vigyázni is, nehogy átmenjünk Hulk-ba.
Van három alaplap és egy vga amit tesztelni kéne, de ma sajnos nem jut már rá idő... Talán holnap. -
envagyok
veterán
válasz
Sanchez638
#56746
üzenetére
Creative kártyákkal nincs gondom

A gyári driver is megy, de van magánkezdeményezés is, és minden oprendszert megy.
https://www.kxproject.com/Röhej, de régen pont az soundblaster és audigy kártyáknak volt totál rémes supportja, sokat szívtam velük. A live is 98-as, de mindenben megy.
-
envagyok
veterán
Hozzájutottam egy Diamond Monster MX 300 hangkártyához, ma teszteltem volna, de a Windows 7 64bit tesztgépembe égen földön nem találok drivert.
Van remény, vagy dobjam be egy win98-2000 gépembe? -
alvaro
senior tag
válasz
Sanchez638
#56742
üzenetére
Nemrég próbáltam w7/64 alatt és problémamentesen működött.
-
#94257664
törölt tag
válasz
Sanchez638
#56742
üzenetére
az ilyen cuccok többsége működik, bár utoljára 10 alatt próbáltam, de gondolom régebbi os-el se lesz baj.
-
Sanchez638
addikt
Valaki használ újabb rendszereknél usb-s floppy-t? Kaptam egy Delock külső floppy-t és kérdésem, hogy pl Win7 alatt érdemes e bármilyen dolognak is neki állni?
-
jokeph
nagyúr
-
envagyok
veterán
Kis segítséget kérnék.
Keresek Radeon 2900 pro és 2900xt vga-t,mert az még hiányzik a gyűjteményből, ezért minden lehetőséget megragadok a beszerzéséhez.
Most pl árulnak egy ismeretlen vga-t, kép alapján be tudjátok azonosítani?
[link] -
frescho
addikt
-
arn
félisten
válasz
DarthSun
#56731
üzenetére
Ahogy en fogom, ket limiter van, egyreszt a homerseklet, masreszt a tdplimit. Ezen kivul meghatarozzak, hogy mi azaz orajel, amit az osszes proci bir, es milyen feszultsegszintek mellett. Ha nem eri el a homersekletlimitet, akkor a tdplimitig emeli az orajeleket - tehat ha a homersekletlimit alatt vagy, akkor valszeg mar kevesbe lenyeges, hogy milyen a hutes, kisebb lesz a gap.
Alapvetoen azert utkozik problemaba az xfr manualis hangolasa, mert nem csak egy szintre kellene tesztelni a procit, hanem minden orajelszinten (megjegyeznem, hogy ez mar a sb tuningjat is befolyasolta - lehet a vegallasban stabil volt, de a koztes lepcson elhasalt... en kb ott fejeztem be a tuningolast). Tehat ha kitolnad a tdpt, meg mindig meg kellene a lepcsoket szabni. Manualisan ez szinte mar lehetetlen - amugy elveszited a hatekonysagot, ha kiiktatod, es csak a csucsorajelre koncentralsz, kerdeses elonnyel.
Frescho: gpuk, asztali cpuk is hasonlo semat kovetnek, a 24h tuning szerintem mar total ertelmetlen emiatt, mert jobban kimaxolja a folyamatos monitorozassal, egyedul akkor van ertelme, ha ramesz egyegy benchre, illetve a jol skalazodo programoknal. Ez utobbinal viszont minel tobb a mag, annal nagyobb esellyel szabsz meg olyan orajelet, ami kevesebb magot hasznalo programoknal hatranyos lesz.
-
frescho
addikt
Ezt nézegettem én is. Ráadásul 25MHz egy lépcső, ilyen finoman nem tudod hangolni tuninggal.Kérdés, hogy mit jelentene egy kis alulfeszelés. Elvileg azzal tovább csökken a hőfok, még jobban nyílhat az olló.
Hasonlót látni Intelnél is főként laptopban. Megfelelő és gagyi hűtés között sokkal nagyobb különbség van. Bár azt néha már szakadéknak is lehetne nevezni.
-
arn
félisten
apam, ez az amd xfr lenyugozo dolog... [link] retrogepeknel meg kihivas volt a tuning, itt mar egyszeruen nem erdemes.
-
Bizonyára
, de a korabeli P2 csúcs mire volt képes arra vagyok kíváncsi.(#56727) sanchezsa : olyanom nincs sajna
A fogyasztás nőtt horribilisen a videocserével

Win desktop : 58W -> 62W
3DMark99 : 78W max (76W átlag) -> 80WKorábbi ígéret, mivel kivettem az MX- et, fotó, melyről szakértő megmodja hogy mennyire gagyik a ramok



-
válasz
DarthSun
#56707
üzenetére
P2 folytatása. Korához képest owerkill videora cseréltem az MX400- ast.
Eredmények változása :
3DM99 : 2921 -> 3008
3DM2000 : 2795 -> 2938
3DM2001 : 1235 -> 2749A 2001- ben ugrott nagyot, talán a GPU RAM sávszél
, ennek screenshotját másolom be :
A konfighoz inkább a 3DM99 illik, játékok melyek használják a TL- t már viszonylag lassúak lehetnek ezen a procin, bár az 2001- es eredmény meglepett. Driver ugyanaz a 2003- as ver, mivel a Ti200 is benne van már. A gépben lesz egy darabig, DOS alatt mérek, régebbi progik/gamek kompatibilitását nézem, aztán csere > GeF4Ti4200 > GeFFX5700- ra
, meglátjuk mit lép... -
jokeph
nagyúr
válasz
Sanchez638
#56722
üzenetére
Köszönöm a válaszokat mindenkinek.

Mivel ezek eléggé régiek, nem foglalkozok velük.
A Kingston Hyper X Fury 120 GB meg bőven gyors, igaz csak SATA II-nmegy, de akkor is megvan a 233 MB/sec irás, olvasás (SATA III-on 500/500-at tud elméletben).

10 éves cucc már szinte retro.

-
Sanchez638
addikt
válasz
jokeph
#56719
üzenetére
Biztonságosabb ugye maga a kialakítás. (0-24be folyamatos írásra tervezték.) Hűteni kell őket.
Csak fizikailag mások a csatlakozok. Én kábel hiányába kitörtem a sata adat és táp oldalán a likat. (De mivel több cuccom van, így kellet vennem rendes kábelt.)
Nem fogod szerintem annyira észre venni a különbséget. Az én ssd-im is 60MB/s írással bírnak, de olvasni 260MB/s-el tudnak.(IOps érték valahol 6k körül mozog) Viszont 12V/1,2A az energia szükségletük.
HDD csak sima Seagate 3TB 7200-as. De volt 15k is, az viszont hangos.
Vannak 2.5-ös de dupla magas kivitelű (Mint a WD VelociRaptor) 1-2TB. Azok viszont kis helyet foglalanak és biztosan gyorsabbak.
-
jokeph
nagyúr
válasz
Sanchez638
#56718
üzenetére
Kb. ingyér volt, vasárban.
![;]](//cdn.rios.hu/dl/s/v1.gif)
Az oké, hogy a SATA adatkábel fizikailag és bekötésre egyezik, de a táp az más kicsit.
A lényeg annyi lenne, hogy láttam hozzá kábelt, kb 2e ft, van e előnye a SATA-hoz mérten pl. sebesség jellemzőkben ?
-
Sanchez638
addikt
Üdv, szopat a Slot-A. nem elég, hogy faragnom kellet a proci tartó kereten, mivel nem volt rajta az eredeti.
De teljes mértékbe kell neki az 5V-os ág. Tehát egy újabb táppal ami nem tud nagyobb energiát szolgáltatni 5-ös ágon azzal el se indul.

Szerk: Vagy más lehet a ludas?
-
envagyok
veterán
-
P2 fogyasztása. Adatait leírtam már, de bemásolom hogy ne kelljen visszalapozni :
P2/450 proci
Siemens DI1064 lap
2x256MB SD
Inno GeForce2MX400
SB Awe64Gold+SimConn 32(28)MB RAM
GUSMax - 1MB RAM
10Mbit háló
30GB Maxtor+640MB WD HDD- k
LG 52x+Creative infra 36x CDR- ek
1.44 FDD
Venus ház+250W R&M táp
Win98SE, DOS6.22 oprendszerek
Wifi stick is aktívan mentWin desktop : 58W
3DMark99 : 78W max (76W átlag) -
-
válasz
#94257664
#56703
üzenetére
Nem lesz könnyű mutatvány. Nekem a 3 talán leggyakoribb típus van, Classic, MAX, PnP, de ezeknek is már horror ára van (kivéve szerencse esetén).
A MAX- ot hallgatom most, a maszek WDM driverrel brutál jól szól a PCM, MP3, game. A hullámtábla nem natív, de így is jó a Rolanddal. Natívra meg mellette van az SB AweGold, van egy GUS fontom, rátöltöm azt
.DOS alatt natívban mégjobb. Mikor összeraktam a gépet az Ultramid emu esetén nem volt az igazi, most avval is kiválóan szól, belőttem.Win alá az utolsó hivatalos driver nem WDM sajna, felejtős, meg kissé instabillá teszi a kernelt is.
Új hozzászólás Aktív témák
Hirdetés
- Parkside szerszám kibeszélő
- Eljött a CPU-k kora az AI-piacon
- Projektor topic
- Vírusirtó topic
- Xbox Series X|S
- Luck Dragon: Alza kuponok – aktuális kedvezmények, tippek és tapasztalatok (külön igényre)
- Óra topik
- Kínai és egyéb olcsó órák topikja
- Programozás topic
- Nos igen, ilyen is lehet egy notebook…
- További aktív témák...
- Intel Core I7 14700K - 20mag/28szál - Új, bontatlan - Gari 2029.02.05. -ig - Eladó!
- Intel Core I9 12900KF - 16mag/24szál - Új, bontatlan, 1 év gari - Eladó!
- Intel Core ULTRA 9 285K +32GB 7600MHz Patriot Viper XTREME 5 DDR5 kit! (Bolti ár: kb 600ezer Ft!)
- AMD Ryzen 5 1600X AM4
- BESZÁMÍTÁS! Intel Core i9 11900K 8 mag 16 szál processzor garanciával hibátlan működéssel
- Apple iPad Air 2 (A1566) 64GB Wi-Fi Asztroszürke
- Új M5 MacBook Pro, 14", 10/10 mag, 32GB RAM, 1TB SSD, Silver - 27% ÁFA
- HIBÁS ÉRINTÉS NEM MEGY Surface Pro 8 i7-1185G7 16GB RAM 256GB SSD 5G LTE szép állapot
- Apple Magic Mouse (USB-C) - Fehér
- iKing.Hu - Apple MacBook Pro 16 M1 Pro (2021) 16GB/1TB SSD megkímélt 88% akku 153 ciklus
Állásajánlatok
Cég: Laptopműhely Bt.
Város: Budapest















