Hirdetés
- Fittyet hány a pesti napfényre a Honor 600
- Okosóra és okoskiegészítő topik
- Redmi Note 11 és 11S - biztos alapra jobb építeni
- Szívós, szép és kitartó az új OnePlus óra
- Poco X8 Pro Max - nem kell ide sem bank, sem akkubank
- Beszáll a Vivo a Pro Max csatába
- Itt a Galaxy S26 széria: az Ultra fejlődött, a másik kettő alig
- Redmi Note 13 Pro 5G - nem százas, kétszázas!
- Motorola Edge 50 Neo - az egyensúly gyengesége
- Xiaomi 17 - még mindig tart
-
Mobilarena
Ez itt, az elektronikával hobbiból foglakozók fórumtémája.
Lentebb összegyűjtötttem néhány elektronikával kapcsolatos, hasznos linket.
Új hozzászólás Aktív témák
-
Kernel
nagyúr
válasz
DuDieHUN
#54597
üzenetére
Oda valóban nem lehet 230 V-ot kötni, úgyhogy kell egy relé is. A villanyszerelési anyagokat annyira nem követem, ez egy általános, kétáramkörös relé, 230 V AC meghúzótekerccsel, minimális terhelhetőséggel, mert jelentéktelen áramot kapcsol.
A termosztátnál 16(2)A terhelhetőséget ír (AC/DC), reléből is kb. ilyesmi megfelel.
Tehát a termosztát a relét kapcsolja, utána annak egyik érintkezőpárja megy a kazán TA1 csatlakozójára.
Másik érintkező indítja az időrelét, az meg a szivattyút.
-
DuDieHUN
aktív tag
válasz
Kernel
#54594
üzenetére
lefenykepeztem a kazan bekoteset, ahova a termosztat jele megy TA1 sajnos nem 230V jel
megy, amugy egy ariston genus premium evo 24 a tipusaezek szerint szükségem lenne egy kétáramkörös relére?
haluxvill-be lehet ilyet kapni? - esetleg meg tudod mitatni melyiket erdemes venni?ahogy latom egy falonkivuli DIN-es dobozra is sziksegem
lesz, egy 4 tagura gondoltam, es lehet teszek bele meg egy biztositekot is amivel aramtalanitani tudom ezt az egeszet -
tvamos
nagyúr
válasz
Magnat
#54595
üzenetére
Ha jól értem: egy ismeretlen battery supervision panelre kötöttél sorba 3 lipo aksit, majd extra védelem nélkül egy izzóval terhelve otthagytad, hátha tönkremegy. Gratulálok! Szedd szét, mérj cellafeszt!
Amúgy, ha működik rendesen, akkor lekapcsolja a pakkot a terhelésről. Ha visszarakod az izzót, nullát kell mérj rajta.
-
Magnat
veterán
Üdv,
Egy 12 voltos akkus fúró akksiját alakítottam át 3 high drain 18650-nel, meg egy ilyen vezérlővel: [link] Meg is hajtja szépen fúrót, első éjjel teszt jelleggel lemerítettem egy 12 volt 5 wattos izzóval az akkut. Reggel rámértem és nagy meglepetésemre 4.3 voltot mértem rajta. Mivel elég visítva fért be az eredeti akku dobozába az egész szerelék, nem szedtem még szét, h külön cellafeszültséget tudjak mérni, szóval kérdezném, lehet, h ez a board trükközik vmit vagy hogy lehet a feszültség ilyen alacsony, ha elvileg a cellákat nem engedi 2.8 alá? Egyébként érdekes módon a fúrót még most is meg tudja indítani, persze erő nincs benne semmi.
-
Kernel
nagyúr
válasz
DuDieHUN
#54593
üzenetére
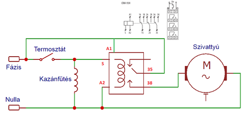
Az időrelé az A1 ponton kap állandó fázist, A2 a nullára megy. S a trigger lényegében, ott kapja az indítójelet (az is fázis).
- a szivattyút rákötöm az időrelé 38 és A2 pontjaira, ez OK
Meg a nullára is, ez fontos.
Csak ezt így látatlanban nem lehet tudni, a kazán vezérlése hogyan van bekötve:
Tehát van-e közös pontja a fázissal, ha igen, akkor a piros vagy zöld vonallal jelölt?
Ha nincs közös pont, tehát a termosztát érintkezője a kazán elektronikájának két független pontját kapcsolja, akkor oda természetesen tilos 230 V-ot kötni.
Ebben az esetben szükség van még egy kétáramkörös relére, 230V AC meghúzótekerccsel. Ekkor a termosztát a relét kapcsolja, majd annak két érintkezőpárja külön a kazánt és külön a késleltetőt, hogy a galvanikus elválasztás biztosított legyen.
Majd holnap ezt is le tudom rajzolni, ha szükséges.
-
DuDieHUN
aktív tag
válasz
Kernel
#54591
üzenetére
elnézést, hogy ilyen szájbarágósan se értem, biztosra akarok menni
van több vezetékem:
- be van kötve a termosztát a 230-ba, ez OK
- a kazán rá van kötve a termosztát L1, Lx pontjára ez OK
- a szivattyút rákötöm az időrelé 38 és A2 pontjaira, ez OK- gondolom rá kellene kötnöm még a 230-at az időrelére, a szivattyú meghajtásához, de hova?
- a termosztát vezérlését az időrelére kell kötni, az Lx-et az S-re, az L1-et az A1-re? -
gyenesmartin
őstag
Sziasztok!
Ti, hogy számolnátok ezekből az adatokból CMRR-t műveleti erősítőnél?
Ube:-5, -4, -3, -2, -1, 0, 1, 2, 3, 4, 5 V
Uki:117, 94, 70, 47, 23, 0, -23, -47, -70, -94, -117 mV
Egy kivonó erősítő a visszacsatoló ágban egy 27K-s meg egy 12K-s ellenállással (a neminvertáló bemeneten szintén)
Mérés során a két bemenet össze volt kötve, így egyforma feszültség volt rajtuk, csak a rajta lévő feszültséget változtattuk és a kimenetet mértük. -
Kernel
nagyúr
válasz
DuDieHUN
#54590
üzenetére
Igen, az egy relékimenetű egység, vagyis közvetlenül tudja kapcsolni a kazánt, meg a késleltetőt is. A szivattyú pedig már a késleltető relé érintkezőit terheli, ami 8 A-t elbír.
Azt gondolom, nem kell mondani, hogy a relénél:
35-38 = 15-18
Ez csak annyiból érdekes, hogy ha jobban kézre áll a szélén lévő csatlakozás, akkor nyilván azt is be lehet kötni.
-
Speeedfire
félisten
Van 1-2 elektronikai cuccom, amit szeretnék bedobozolni. Nagyjából megfelelő méretű dobozaim is vannak, de nem teljesen és emiatt nem a sínbe illeszkedik. Mit szoktatok ilyenkor venni? Néztem a hestore oldalát, de nem találtam olyat, amivel át lehetne hidalni.


-
Kernel
nagyúr
válasz
DuDieHUN
#54582
üzenetére
Az alapelvet felvázoltam, de csak feltételeztem, hogy a termosztát egy kapcsolót képvisel, ami alkalmas a fűtés bekapcsolására, a jelzett módon:
Tehát a termosztát indítja a fűtést és a késleltető relét, ami rögtön bekapcsolja a szivattyút is.
Amikor a termosztát lekapcsolja a fűtést, a szivattyú még áramot kap, a beállított késleltetés idejéig.
-
-
darvinya
titán
Érdekesek ezek a Hub-ok mert nekem van 1 Hama 4db-os USB 2-es ami táp nélkül elbír 4db-ot.
DJ. Ru$y
Rakd fel tölteni min. 24h-át, ha ezután nem indul be akkor vége.
-
DuDieHUN
aktív tag
Segítséget szeretnék kérni, egy multifunkciós időrelé bekötéséhez, a feladata a padlófűtés szivattyújának működtetése lenne, az alábbi módon:
- a termosztát bekapcsolja a kazánt és elkezd fűteni és ezzel egy időben bekapcsolja a padlófűtés szivattyúját is ami elkezdi keringetni a vizet a padlóban
- majd amikor a termosztát adja a jelet a kazánnak, hogy álljon le, mert elérte a megfelelő hőfokot, az időrelé késleltetve kapcsolja ki a padlófűtés szivattyúját (mondjuk a kazán kikapcsolása után 10 perccel)- adott egy ELKO CRM-93H időrelé
- egy termosztát amiből 2 vezetéken megy át a jel a kazánba (kisfeszültség)
- egy szivattyú (230 V)Az időrelébe be kellene kötni a 230-at, a vezérlést ami a jelet viszi, és kimenetre kötni a szivattyút, sajnos nem vagyok szaki így nem boldogulok vele, ez alapján a leírás alapján kérném a segítséget:
köszi
-
DJ. Ru$y
nagyúr
Egy kis segítséget szeretnék kérni:
Van egy YooBao 10400 mAh típusú külső aksim, ami gyanúsan túlmerült nem nálam volt, hanem barátnőmnél, van erre bármilyen megoldás, ami bontás nélkül esetleg feltámaszthatja?Köszönöm előre is az esetleges segítséget.

-
Kernel
nagyúr
válasz
krisztianAMG
#54579
üzenetére
Középcsapolt szekunder nem jó, csak 2 db galvanikusan elválasztott szekunder alkalmas ilyen célra (4 kivezetés).
Különben zárlat lesz, ha összekötöd a kimenetet, mivel ez két teljesen egyforma áramkör, ami jellemzően a pozitív ágban szabályoz és a negatív a GND. Nem szimmetrikusra tervezett.
-
krisztianAMG
senior tag
válasz
GZoli7
#54577
üzenetére
Köszi! A honlapon nem említ ilyen hibát, de írtam neki egy mailt.
Más: Bangoodról rendeltem két LCD-s labortáp kitet, amelyekből szeretnék egy szimmetrikus labortápot építeni. Szükséges ehhez valamilyen változtatásokat eszközölni, vagy elég csak sorba kötni a két modul kimenetét? (27V-0-27V toroid trafóról lesznek táplálva.)
-
GZoli7
senior tag
válasz
krisztianAMG
#54575
üzenetére
Projektoros fórumban Batyót szokták ajánlani.
-
Kernel
nagyúr
válasz
krisztianAMG
#54575
üzenetére
Nem ismerem ezeket, sőt még a projektoros TV-k is jobbára kimaradtak, ami persze nem csoda, ha az évek során kevéshez hívtak, azt a keveset meg inkább nem vállaltam (mindig voltak más munkák, amit szállítani is könnyebb stb.).
-
krisztianAMG
senior tag
Bedobom ide is, hátha Kernelnek volt már dolga projektorral is.
A projektor topicban nem tudtak érdemben segíteni. -
-
sanzi89
addikt
válasz
darvinya
#54571
üzenetére
Pont, hogy nem fogom használni, hanem visszaviszem a boltba garanciáztatni, hogy cseréljék ki, mert rossz. Az, hogy tönkretett egy 20k-s lapot egy aktív USB hub, az pedig sajnos IJ kategória.
@hcl
Köszönöm! Közben másik topikban is megerősítették ezen sejtésemet, örülök, hogy van akinek sikerült felfognia a problémát. Visszaviszem, javítsák/cseréljék. -
sanzi89
addikt
válasz
darvinya
#54559
üzenetére
"1. Vezetéknélküli Bill+egér kombót soha nem kötünk Hub-ba, nem azért mert sokat eszik, hanem adatsávszélesség miatt."
Hogy mivan?

"2. Azzal vágtad haza az egészet, hogy csak úgy fogyasztó nélkül plusz tápot adtál neki, de ez le van írva használati útmutatóban"
Hogy mivan?

Ekkora hülyeségeket ne írj már le nyilvánosan.

u.i.: Természetesen USB3.0-ás porta volt kötve az alaplapon.
u.i.2: Most néztem meg a kedvedért a használati útmutatót, de ilyen hülyeség érdekes módon nincs benne.
-
-
teo77
őstag
válasz
Kernel
#54565
üzenetére
Köszönöm a válaszod! Nem cseréltem kábelt, csak szétszedtem a fejet, és az eltört fém lapot összekötöttem egy vékony fémdróttal.
Ez a drót viszont hozzáért egy pillanatra a másik pólushoz. És ekkor volt egy kis szikra. Miközben teszteltem az eredményt.
Valszeg ez nyomhatott ki valamit. Lenovo Ideapad G50-ről van szó.
Vállalsz ilyesmit? Hogy megnézd? -
darvinya
titán
válasz
tordaitibi
#54560
üzenetére
Biztos, hogy ami fogadja az USB 3-as, mert erről nem írt.
De azért ne keverjük ide vezetékes verziót, mert vezeték nélküli másként működik.
Azért hardcore játékosként észre vennéd Hub-on keresztüli akadásokat még vezetékes eszköznél is. -
teo77
őstag
Úgy néz ki, hogy elromlott a gépem vagy a töltő. Valakinek közületek van lenovo laptopja? És megengedné, hogy kiprobaljam a gepem az ő töltőjéval? Nagyon fontos lenne, nincs pénzem nagyon a javíttatásra. (régóta munkát keresek). Nagyon fontos lenne a gép, hogy tölteni tudjam. Köszi szépen!
-
-
-
sanzi89
addikt
válasz
darvinya
#54556
üzenetére
"Minek kellett a táp alacsony fogyasztású eszközökhőz??"
A HUB tápja nem volt bedugva, csak az USB port a gép hátuljába USB3.0-ás portra, de semmi Fast Charge vagy ilyesmi, hétköznapi, mezei csatlakozó. A HUB-ra rákötöttem egy pendrive-ot és egy vezeték nélküli bill+egér kombó vevőegységét, és az egér akadozott (közvetlenül a gépbe dugva jó volt). Gondoltam kevés neki a kraft, ezért bedugtam a tápot is, ha már tud ilyen funkciót is.
-
teo77
őstag
Sziasztok!
Van egy laptopom, ami korabban mukodott ugy, hogy ki volt véve az akkuja és lehetett hálózatról működtetni. Most viszont csak úgy működik és csak úgy működik, ha benne van az akku.
A történethez hozzátartozik, hogy megsérült a töltő csatlakozója, amit meg reparáltam. Lehet, hogy ez a gondja? Vagy más lehet? Köszönöm előre is! -
-
sanzi89
addikt
Nem találtam jobb topikot a kérdésemnek, így ide írok. Igazából elektronikai kérdés, így összességében elfér szerintem itt.
A lényeg, hogy vettem egy Arctic Z2 Pro monitor állványt, amelyben beépített, külső tápegységgel ellátott USB HUB-ja van. A problémám vele a következő:
- A tápja 5V 2A. Terheletlenül 5.2V-ot mértem rajta. Ez rendben van? Megnéztem pl a telefontöltőm pontosan 5V, a gép USB portján is pontosan 5V van.
- Bedugtam a tápját a HUB-ba, majd a HUB USB kábelét a gép hátuljába. A gép azonnal kikapcsolt, és egészen addig nem volt hajlandó bekapcsolni, amíg a HUB USB kábelét ki nem húztam a gépből. Ez már nem normális.
- Bedugtam a tápját a HUB-ba, majd megmértem a HUB USB csatlakozóját - képen kék csatlakozó - nem az USB HUB USB portjait, ahova pl. az egeret is dugom, és itt is mértem 5.2V-ot! Én úgy gondolom logikusnak, hogy ez így nagyon nem ok! Itt nem szabadna visszamenni a gépbe az 5V-nak. Jól gondolom, hogy így szar az USB HUB része a monitor állványnak?Az csak hab a tortán, hogy a szintén vadi újonnan vásárolt alaplap ezen trükk óta kb 3 óránként Kernel Power hibaüzenettel újraindul...
-
mezis
félisten
-
Krill77
őstag
Köszi mindenkinek. Tudtam, h eszik valamennyit de azt gondoltam a jelentéktelennél kicsit többet.
-
-
Krill77
őstag
Hi. A sima 1A 5v telo töltő hany ft áramot eszik kb, ha nincs rajta a telo mondjuk 9 óra hossza alatt? Koszi.
-
Kernel
nagyúr
válasz
darvinya
#54537
üzenetére
eBay-en vannak mindenféle időzítő modulok, ami triggerre (is) működik:
http://www.ebay.com/itm/172283584461
Ezek már csak időalapok, építeni kell hozzá relét stb.:
http://www.ebay.com/itm/311514571224
http://www.ebay.com/itm/222187444506Noha ez a lényege, régebben ilyen kellett volna nekem, másképp oldottam meg.
-
Kernel
nagyúr
válasz
bandi94
#54534
üzenetére
Ha csak 3 vezeték van kihozva és 3 fázisú a motor, akkor csak csillag kötés lehetséges
Ezt nem tudom, miből gondolod, a háromszögnek is három sarka van, meg (esetünkben) a csillagnak is.
A csillagpont meg egyébként is lényegtelen, nem szükséges a motor működéséhez. Akár ki van vezetve, akár nem.
-
darvinya
titán
Sziasztok
Van olyan konnektor ami csak beállított időben működik, de nem ismétlődik?
Tehát előre beállított időt egy kapcsolóval bekapcsol, és idő leteltével kikapcsol.
Amit eddig találtam, az 24h ismétlődő, de az nem jó. -
bandi94
tag
válasz
Batman2
#54518
üzenetére
Ha csak 3 vezeték van kihozva és 3 fázisú a motor, akkor csak csillag kötés lehetséges, a csillagpont össze van kötve belül, le van kötve a tekercsfejben és be van lakkozva.Műszerrel mérd meg őket egymáshoz képest, nagyjából egyformának kell lenni az ellenállásnak, plusz nézhetnél egy testzárlatot is, egy kis (kb 15w) próbaizzóval.Érdemes lehet esetleg lekapni a ventilátor oldali deknit, benézni a tekercshez, nem-e kokszos, párás (vizes), stb...
-
moha21
veterán
válasz
Batman2
#54518
üzenetére
"Továbbá nem túl erős, lassúnak tűnik számomra az eladó által közölt 1450hez a jelenlegi fordulata és jelentősen melegszik rövid idő alatt is!"
Fordulatot leginkább stroboszkópos ford.mérővel tudod megnézni.
"Kérdésem, hogy a fázisokat bármilyen sorrendben kőthetem a 3 vezetékre, vagy biz kötések esetén ellendolgoznak, ami okozhatná a lassúságát és az erős melegedését, vagy ilyen nem lehetséges?
Igen a sorrend ilyen szempontból mindegy csak a forgásirány változik.
"Ezt egy szecskavágó géphez adták, mondván ezzel üzemelt, volt a készüléken egy bekötetlen 5eres vezeték, 4 pólusú ipari dugóval.
Ezt leszereltem, és a kábeleket közvelen érintettem egyszerre a 3 fázishoz, mett nálunk csak 5 pólusú, dupla földes gudaljak vannak."Én még életemben nem hallottam dupla földes dugaljról :-) A motornak nyilván nulla nem kell csak védővezető ezért elég neki a 4 pólusu ipar dugalj. Neked 5 pólusú van amiben van védővezető és nulla is. A nullát nem használod belőle.
PS: Illene egyébként rendes kötést csinálni ( körsarú pl. ), mert sok tud múlni egy kötésen!
Adattábla nélkül nehéz bármit is mondani a motorról.
-
Lompos48
nagyúr
válasz
kmisi99
#54524
üzenetére
Nekem van empirikus viszonyítási alapom: Egy 2N3055 típusú tranzisztor, jobban mondva a TO3-as tok határon tud disszipálni 1...1.2W teljesítményt borda nélkül. Lehet, hogy a kinézete is eleget mond számodra, mert a 3W nem kevés ilyen alkalmazásnál. Képzeld hozzá az össz-fémfelületét!

-
Kernel
nagyúr
válasz
Batman2
#54528
üzenetére
Delta kapcsolásnál szikrázhat akkor is, ha szakadt az egyik tekercs. De könnyen lehet menetzárlat is, azt kimutatni sem egyszerű. Túlzott melegedés, csökkent nyomaték árulkodhat róla.
A három fázis maga biztosítja a forgómezőt, gyakorlatilag az erőművi generátor forgását képezi le, egy villamos tengelyen közvetítve (vagyis három szál vezetéken). Ezt nem én találom ki, a villamos tengely egy elektrotechnikai fogalom. Például egy diesel-elektromos mozdonyban a generátor <--> motor közötti vezetékes kapcsolat is egy villamos tengely, aminek rugalmassága van, kiváltja a tengelykapcsolót, amit ilyen nagy erők átvitelére problémás lenne gyártani is.
Noha a fázisoknak vannak azonosító betűjelei, de annak ilyen szempontból nincs jelentősége, nem tudod rosszul bekötni, legfeljebb fordítva forog a motor.
-
Batman2
addikt
válasz
kjani18
#54520
üzenetére
Úgy látszott, hogy mindhárom vezetéknél van szikra, tehát nincs szakadás, de holnap viszek műszert és méret ellenállást a kivezetések között.
Akkor mindegy, hogyan jönnek sorrendben a kábelek a 3 fázisra, bajt nem okozhat, csak másik irányba kezdd forogni igaz?
És 3 fázis esetén nyilván nem kell a forgás létrejöttéhez indítókondenzátor, vagy bármi segédfázis?Tehát ha enyhe terhelésen már nem akar elindulni magától, akkor mindenképpen valahogyan hibás?
Üdv.
-
Kernel
nagyúr
válasz
jolti05
#54519
üzenetére
Nem PWM, két vezeték a táp, harmadikon a fordulatjel megy vissza. Ez egy nyitott kollektoros kimenet, szabványosan fordulatonként kétszer zárja GND-re a ventilátor belső elektronikája.
555 vagy bármilyen multivibrátorral lehetne ilyen jelet előállítani.
Vagy elutazás esetén visszakapcsolni 12V-ra.
-
kmisi99
addikt
válasz
Lompos48
#54523
üzenetére
Na akkor ez sokkal durvább hőtermelés mint gondoltam. Akkor gondolom a 3W is fűt mint a fene. Ilyet néztem [link]
Na most a kínaiak akár véletlen szám generátorral is írhatnák a specifikációkat, annyira pontos amit megadnak, szimplán ezért nem néztem a lumen értéket. Csak mert a fejlámpában akarnám a 12 dip led helyére, egy pici hűtőbordával beapplikálni, és az a lényeg természetesen, hogy komolyabb fényereje legyen.
-
Lompos48
nagyúr
válasz
kmisi99
#54521
üzenetére
Kérdés, hogy mit jelent nálad a komolyabb fűtés? A mellékelt ábrán látható 10W-os COB-nek határon elég a mellette található borda. Néhány perc alatt már alig fogható kézbe. Mérni mértem rajta 70 Celsius fok felett. Ez a LEDek szintjén - borda, paszta ellenére - jóval többet jelenthet.
Vagy esetlegesen egy 3W os is már erősebb lehet mint 12db sima DIP led?
Mi az erősség? Általában mindegyikhez megadnak egy fényerőt kifejező paramétert lumen-ekben mérve. A példám az 900 lumenes.
-
kmisi99
addikt
-
jolti05
őstag
Sziasztok!
Akad itthon nekem egy NAS-om, aminek a hűtőventilátora szoftveresen nem szabályozható, a hardver pedig úgy bánik vele, hogy gyönyörűen, folyamatosan ingadoztatja a sebességét, így borzasztóan zavaró, ha kicsit is csend van a szobában, ezért egyszerű barkácsolással az egyik USB 3.0-ás portjáról kapja most a hűtő az 5V-ot és így remekbeszabottan teszi a dolgát, viszont amikor újraindítom a NAS-t, akkor egészen addig, amíg meg nem látogatom az webUI-t és le nem okézom, hogy a ventilátor sebessége nem oké, hangosan sípol.
A napokban eszembe jutott, hogy mi van, ha elutazok 1-2 napra és nincs itthon senki, akkor ez vajon milyen hatást váltana ki a szomszédokból. Valószínűleg hazaérkezésem tiszteletére máglyával készülnének

Így jött az ötlet, hogy ezt a 3 pines (talán PWM-es?) ventilátor csatlakozót valahogy "át kellene vernem" annak érdekében, hogy ő ott lásson valamit és ne panaszkodjon.
Tudtok erre esetleg valamilyen egyszerű megoldást?
-
Batman2
addikt
Van egy villanymotor és nem vagyok teljesen tisztában a bekötésének helyességében, illetve maga a motor megfelelő működésében!
Itt a motor és a csatlakozó doboza:
A probléma, illetve a kételyem az, hogy a motor csatlakoztatva a 3 fázis, 400V-ra minimális terheléssel már nem akar magától semerre sem elindulni, kézzel be lehet lökni, de érezni, ahogyan a váltóáram ide oda rángatja. Teljesen üresben kétszer próbálvq elindult erre és arra.
Továbbá nem túl erős, lassúnak tűnik számomra az eladó által közölt 1450hez a jelenlegi fordulata és jelentősen melegszik rövid idő alatt is!A motor bekötésnek a neten utána néztem, ismerem a csillag, illetve delta bekötéseket, de ahogyan a képen is látszik, ebből a motorból összesen 3 vezeték jön ki, nincs mód variálni a kötésen. Belül nem tudom hogyan van kötve.
A melegedésnek egyik okozója, hogy valszeg kellene legyen a hátulján hűtőventilátor, ami nincsen, de ettől függetlenül is gyanús az állapota.Kérdésem, hogy a fázisokat bármilyen sorrendben kőthetem a 3 vezetékre, vagy biz kötések esetén ellendolgoznak, ami okozhatná a lassúságát és az erős melegedését, vagy ilyen nem lehetséges?
Ezt egy szecskavágó géphez adták, mondván ezzel üzemelt, volt a készüléken egy bekötetlen 5eres vezeték, 4 pólusú ipari dugóval.
Ezt leszereltem, és a kábeleket közvelen érintettem egyszerre a 3 fázishoz, mett nálunk csak 5 pólusú, dupla földes gudaljak vannak.
A motor egyébként nem is passzolt a masinán levö felfogató helyhez, így elég kérdéses, hogy egyáltalán wz dolgozott rajta.Ha felmerülget, hogy a motor rossz, pl esetleg zárlatos, akkor megy vissza a feladóhoz.
Kösti előre is.
Üdv. -
Kernel
nagyúr
válasz
xxxjjjkkk
#54515
üzenetére
Azért egy trafó nem ennyire bonyolult, hogy ne lehetne diagnosztizálni, az meg fizikai képtelenség, hogy 1 Ω terhelésen is tartaná a 14 V-ot (vagy nem tudom, mert konkrétumot nem írsz). Az már 196 W lenne.
Gond nélkül megtáplálna egy autós izzót.
A két szélső láb lehet bekötetlen, az is egyértelműen kimérhető szakadásra, a műszer pedig mutathat valami brummot.
-
xxxjjjkkk
senior tag
válasz
Kernel
#54513
üzenetére
Tettem rá annyit is, ez valahogy nem ok. de tettem 1ohmot is, meg 1Mohmot is. Már a próbalámpa terhelésétől is be kéne állnia 9Vra, szerintem.
Igazság szerint, egy 20+ éves hibás fermator panelből szedtem ki. -Ma már nem divat paneleket javítani, pedig sokszor, csak egy led megy ki, vagy csak a greatz száll el, sok esetben még csak nem is SMD alkatrész.- Az adatlapját sem találom, de gondolom a fennt linkelt lábak ugyan azok, meg eleve, nem mérek más értéket. A 6-7 közt van 1,2Volt, a 9-10közt szintén. 9 és 7 közt van ez.
Mindegy veszek egy újat a lomexbe, mert nekem valami nem kerek.A szuper kinai elektronikás dso138 meg kifejezetten írja, hogy nehogy 12V+ legyen

-
jksx
senior tag
-
Kernel
nagyúr
válasz
xxxjjjkkk
#54511
üzenetére
33 Ω terhelés kellene neki, meg azzal is lehet kalkulálni, hogy 220 helyett 230V-ot kap, így lehetne kb. 9,5 V AC.
De amúgy terheléses méréseket én sem szoktam végezni, azt tudom, hogy az üresjárási feszültség simán lehet másfélszeres, ebben a kisteljesítményű kategóriában.
-
xxxjjjkkk
senior tag
Lehet én vagyok már fáradt, de hogy jön le erről 14AC?
[link] lábkiosztás ilyen, csak a 7 és 9 közt mérni
Próbálta, terheséssel, úgy is. -
-
kmisi99
addikt
válasz
Kernel
#54505
üzenetére
Kösz a választ, meg is csináltam. Kapott kb 2,2 ohm ot. Mivel a munkahelyi multiméter eléggé fura a 200ohm alatti mérő állás egyben a zárlat kereső, így természetesen csak sípol. Szóval a 2000 res skálával tudtam ellenállást keresni. (tudom színkód alapján is lehet, de a piros/narancs/barna kb ugyan az nekem. De mivel szerintem eléggé meg lettek pusztítva a ledek szerintem kompletten mindet cserélem, 1-2 még így is villog, gondolom már a végüket járják. A 2ohm körüli ellenállás az marad, ahogy láttam az kb pont elég, 3,5v led 20mA, és 4V tápfeszültséghez.
-
Kernel
nagyúr
válasz
kmisi99
#54504
üzenetére
Természetesen az áramforrással sorosan.
Viszont már nem emlékeztem, hogy van ellenállás nélküli lámpa is, ahol csak az elemek belső ellenállása képezi az áramkorlátot.
Vagyis azzal kalkulálnak, hogy az AAA-elem nem bír leadni annyi áramot, ami 9 db párhuzamos LED-et túl tudna hajtani, ezért ennél a fajtánál nincs külön ellenállás:
Ni-MH akku sem okoz kárt benne, de ha rákötöd a kisebb belső ellenállású Li-ion akkut, az már kinyírhatja.
Van egy másik fajta lámpa, ami 3 db beépített soros Ni-Cd akkuval működik, ennél már 5 db LED mindegyikével sorba van kötve 1,2 Ω (tehát összesen 5 db ellenállás).
-
kmisi99
addikt
válasz
darvinya
#54501
üzenetére
Itt egy fotó. A munkahelyen kukáztam a fejlámpát, úgy látom már más is alkotott rajta. Teljesen véletlenszerűen hal le néhány led. Nincs kontakt hiba, ellenőríztem.
kép a nyákrólLehet te észreveszel valami hibát, de én ahogy nézem, szimplán kiiktatott mindent, és párhuzamosan kötötte őket.
De egyébként lehet kukázom a nyákot, berakok egy 2-3ohm os ellenállást, mert ahogy néztem inkább 3-3,6V körül van a fehér ledek tűrése.
Új hozzászólás Aktív témák
Hirdetés
- Samsung Galaxy Felhasználók OFF topicja
- Fejhallgató erősítő és DAC topik
- Luck Dragon: Asszociációs játék. :)
- D1Rect: Nagy "hülyétkapokazapróktól" topik
- Kerti grill és bográcsozó házilag (BBQ, tervek, ötletek, receptek)
- Apple MacBook
- TCL LCD és LED TV-k
- Kodi és kiegészítői magyar nyelvű online tartalmakhoz (Linux, Windows)
- BestBuy topik
- Fittyet hány a pesti napfényre a Honor 600
- További aktív témák...
- Lenovo Thinkpad T14 G2 új garis SSD-vel, Touch LCD
- ASUS RTX 4060 DUAL 8GB GDDR6 OC V2 - 1 ÉV GARANCIA, NÉVRE SZÓLÓ SZÁMLA, UTÁNVÉT!
- ÚJ Bontatlan Apple iPhone 17 Pro 256GB Silver ! 1 ÉV nemzetközi APPLE GARANCiA
- iPhone 12 PRO MAX 128GB grafit gyönyörű vadonatúj 100% os akkumlátor! KÁRTYAFÜGGETLEN!
- Apple MacBook M3 Pro 14, 18GB RAM 512GB SSD elado ujszeru Gyor
- 164 - Lenovo Legion Pro 7 (16IRX9H) - Intel Core i9-14900HX, RTX 4090
- ÁRGARANCIA!Épített KomPhone i5 14600KF 32/64GB RAM RTX 5060Ti 16GB GAMER PC termékbeszámítással
- Lenovo Thinkstation P320 MT,E3-1220 v6,32GB DDR4,256GB SSD,Quadro P2000 5GB VGA,WIN11
- Asus ROG Strix G16 Notebook! i9-14900HX / RTX 4060 / 16GB DDR5 / 1TB NVMe! BeszámítOK
- Telefon felvásárlás!! iPhone Air / iPhone 17/ iPhone 17 Pro/ iPhone 17 Pro Max
Állásajánlatok
Cég: Laptopműhely Bt.
Város: Budapest







ekkold
