Hirdetés
- iPhone topik
- CES 2026: A Hohem kompakt SSD-je telefonos USB-elosztó is
- CES 2026: A tévékben is okosabb lesz a Gemini
- Samsung Galaxy A52s 5G - jó S-tehetség
- Apple iPhone 15 Pro Max - Attack on Titan
- Amazfit Active 2 NFC - jó kör
- Android alkalmazások - szoftver kibeszélő topik
- Xiaomi 15T Pro - a téma nincs lezárva
- EarFun Air Pro 4 - a cél a csúcs
- Visszakerül a Realme az Oppo alá
-
Mobilarena
Autóhifi
Új hozzászólás Aktív témák
-
-
válasz
orbano
#32795
üzenetére
Rendben, de, aktív ládánál is van, amelyik RCA bemenettel szerelt, van amelyik csak magas szintűvel, és van (a legtöbb) mindkettővel. Az érdekelt, hogy amelyik alapesetben csak hangszóróbemenetről működik, az tud-e kezdeni valamit a RCA-n érkező jellel, de ezek szerint igen. Kipróbáljuk. Köszönöm

-
kigoi
senior tag
válasz
k-feri65
#32794
üzenetére
Még egy kérdés,még pedig hogy milyen anyagút kéne vennem?
Ahogy elnézem van egy pár fajta anyagból még aranyozott is.
A kábeleknél ügyeltem a minőségre a tápom is OFC ,a hangszóró kábelem is acousticresearch 2x2,5mm2 ofc réz,jó lenne ha nem rontanám le egy olyan hüvellyel ami nem a megfelelő anyagból van (már ha egyáltalán lehet rajta rontani hüvellyel). -
kigoi
senior tag
Szevasztok,felmerült bennem egy kérdésem, lehet hülyeség lesz nem tudom.
Pusztán az érdekel hogy a hangszóró vezeték végére ami olyan foglalatba megy az erősítőn ami egy lyuk és benne egy csavar rögzíti,oda kell e érvéghüvely vagy csak simán szorítsam be?
A táphoz tudom hogy kell ilyen ezért jutott eszembe hogy lehet hogy a hangszóró vezetékhez is kell hisz az is ugyan olyan szinte mint a táp csak kisebb keresztmetszet. -
válasz
orbano
#32789
üzenetére
Az sem számít, hogy a láda aktív? Elvileg erősíti a jelet, nem? Nem akarok akadékoskodni, ezért kérdezek.
Lehet jobban járnék egy egyszerű két csatornás erősítővel, az csinál nekem megfelelő kimenetet.
Viszont itt még egy kérdésem lenne. Mivel egy szobai ládáról beszélek, a bemenet jack, ott ugye a negatív szál közös a két csatornában (bemeneti szinten). Ha én ezt autóban összekötöm, mit szól hozzá a fej, vagy az aktuális erősítő? Vagy a két negatívból elég egyet bekötni? -
válasz
kavics325i
#32787
üzenetére
Ott jelenleg vannak hangszórók, nem probléma a fejnek a plusz bekötés? Anno kérdeztem, hogy a hangszórók után köthetek-e magas szintű erősítő bemenetet, párhuzamosan a hangoskodókkal, nem nagyon ajánlotta senki.
Vonalkimenetről ne is lehet hajtani semmit, csak erősítőt?
-
Szép estét,
egy érdekes kérdésem lenne, ami részben tákolásról szól, szóval kéretik csak a kérdésre koncentrálni.
A fej RCA kimenetét bevezethetem (RCA to jack kábellel) egy sima mezei aktív láda bemenetébe, ami normál magas szintű bemenetre (sima 3.5ös sztereó micro jack) lett kitalálva? -
zsambek
aktív tag
Sziasztok!
Az lenne a kérdésem, hogy van egy CD-30-val ellátott ótó, és azt szeretném megtudakolni, hogy egy NOKIA CK-100-as bluetooth kihangosítóval tudnék-e rá telefonról zenét varázsolni?
Nagyon szépen köszönöm a válaszaitokat,
zsambek` -
PiciPeti
őstag
válasz
lautnermark
#32770
üzenetére
Az kb a pokol utolsó bugyrában lehet a büntetés, hogy Sony 7750 előlapot kell le-fel rakosgatni, az idők végezetéig...

Ha nem necces helyen állok meg, le sem veszem, mert elég szopás felrakni. (lenyíló, teli előlapos) -
-
orbano
félisten
válasz
kavics325i
#32771
üzenetére
én meg szimplán leszarom, azért van a fejegységben jó táp, hogy megvédje (nekem izzítás nélkül is már rég bekapcsol mire indítózok és akkor a feszültségeséstől szépen ki is kapcsolja magát, ahogy kell)
-
footy
addikt
k-feri65
Te megfejtetted már a koax rejtélyét?
Ma beültem az asszony autójába, elkezdtem zenét hallgatni, (Honda Jazz gyári cucc) aztán rácsodálkoztam hogy teljesen jó a színpad. Kerestem a magassugárzókat vagy 5 percig és semmi. Aztán rágugliztam és kiderült hogy koax van beépítve. Az állam leesett. Oké, hogy annyira nem jó a színpad mintha az ember fullaktívban hajtana egy komponens szettet, de ha nem tudom mit hallgatok, simán rámondtam volna hogy van oldalankénti időkorr. -
Osynho
addikt
válasz
kavics325i
#32771
üzenetére
Dehát azt is kapcsolni kell.
El se tudom képzelni, mekkora procedúra lehet az autóvezetés a számára, ha a fej kikapcsolása ilyen drámai. ![;]](//cdn.rios.hu/dl/s/v1.gif)
-
kavics325i
őstag
válasz
lautnermark
#32770
üzenetére
Inkább börtönbe vonulna

Egyébként én ezen bonyolult megoldások helyett inkább egy egyszerű kapcsolót tennék az acc útjába
-
PiciPeti
őstag
Félreértettetek, nincs sértődés, csak azt nem értem miért kellett ilyen hirtelen lezárni a beszélgetést.
Szívem szerint én is akksit tennék be, de a motortérbe egy meleg fing sem fér be, ülések alatt nincs már hely, csomiba meg nem akarok már semmit rakni. Többek között a kisebb helyigény miatt váltottam reflexről zárt ládikóra, mert elég pici a csomi amúgy is.
20 körül ki is jönne, de ez most nem opció, nem szeretnék több helyet foglalni, és nem is érzem a hiányát igazából. Persze valamivel biztos jobb lenne, de jobban kell a hely.
Kapcsolgatni pedig lusta vagyok, erre nincs jobb érvem, de ez elég erős.

K-feri!
Ha leírod/megrajzolod, azt megköszönöm!
Peace!

-
k-feri65
senior tag
válasz
PiciPeti
#32762
üzenetére
és nekem sincs Veled bajom,,,azt irtam amit kérdeztél..az izzítás miatt..ugye.. erre ma bekóstoltak, hogy az vesz fel a legtöbbet az akkutól...na erről irkáltunk már tegnap is szerintem,,,,,, a másik a kapcsolási rajzon rajta van,,hogy nincs vezérlő szál azon a nyákon...na erre meg megkaptam hogy a "vezérlőszál".....ezek után mit irjak még???? segítsek????? már nincs is kedvem....
na
De mivel fasza csávó vagyok,,, megint azt mondom, hogy az, amit másodszor tegnap este linkeltél az a tuti.....és ha nem is ismerem az autódat,,,de szereltem 16 évig riasztót,,hifit...talán még le is tudom Neked rajzolni hogyan kösd be......és az AAC szál az télleg nem kell hogy vastag legyen...
-
k-feri65
senior tag
válasz
kavics325i
#32760
üzenetére
és mi van a stingerrel?? kéne itthonra egy pár rca,,,az se baj ha két pár....
-
kavics325i
őstag
válasz
PiciPeti
#32762
üzenetére
Félre érted... Nincs kicserélve,mert szerintem nem is kell,de ha be teszel egy ilyen "áramkört" nagyobb lesz az esély,hogy összeszedsz valamit. De mennyibe is tud fájni egy ilyen történet? Még egy pici plusz anyagi ráfordítás és bent van egy akksi...Ez jó tanács nem pedig bunkózás. Az meg,hogy nem értek veled egyet na erre van a fórum(és egyébként amikor egyet értek veled azt is jelzem),hogy szóljak ha úgy gondolom rossz az irány. Aztán ha megsértődsz akkor meg,,ha megfogadod akkor meg. Én jót akarok neked úgy,hogy én úgy éltem a 7750-nel,hogy fix 12 voltot kapott tehát MINDIG ki kellett kapcsolnom,ha nem akartam merülést a végén. És megtudtam szokni
-
PiciPeti
őstag
válasz
kavics325i
#32757
üzenetére
Hát boccs, azt hittem ezért van a fórum...

Amúgy neked a gyújtáskapcsoló is ki van cserélve kifejezetten autóhifisre? Mert az is egy ilyen "kupac szar" a fej előtt. Mondjuk szerintem még mindig nem számít, hogy az ACC szálon milyen minőségű a vezérlő jel.

Mind1, én befejeztem, hétfőn bemegyek a Conrad-osokhoz, elmondom mi a bajom, kikérem a véleményt, ha azt mondják jó, akkor megrendelem, beszerelem. Oszt vagy örülök, vagy nem a végén.

Köszönöm a válaszokat, végülis választ kaptam mindenre.

-
k-feri65
senior tag
válasz
kavics325i
#32757
üzenetére
hülye!!
én meg nem izzítok,,, a transzporternek meg nincs ilyen nyűgje
-
kavics325i
őstag
válasz
k-feri65
#32756
üzenetére
Basszátok meg,tényleg 2 napja az a téma,hogy tegyük kényelmesebbé a szart?
Mondjuk nekem is dízel van,mondjuk nekem még nagyobb a motor is benne,de eszem ágába nem lenne,hogy még egy kupac szart tegyek be a fej elé. Akkor inkább raknék bele egy pót akksit oszt csűűű.Nem esik be és nem tilt semmit. A legjobb megoldás ez lenne és nyilván hangminőségben sem ott tartana majd mint most. Nem kell,hogy hifi akksi legyen csak biztonságosan fogassa le. -
k-feri65
senior tag
válasz
Ragadozó
#32752
üzenetére
olvass picit visszább,,,,de leírom mégegyszer...mivel az inditáskor(öninditó teker) elvesz mindent ez oké,,nekünk nem ezzel volt a bajunk,,,nekünk azzal van bajunk, hogy elötte az izzitásnál is vegyen el....
szóval kulcs beforgat 1 es állás ott már indul a fej,,,de gondolom egyből tultekeri a kulcsot az izzitáshoz,,,vagyis gyujtás,,,na itt old az 5 lábu relé...aztán amikor megszünt az izzítás akkor a relé ujra ad áramot,,,de mivel hogy már indít is ezért gondolom megint áram nélkül marad szerencsétlen fejegység...
na de van az a conrad féle késleltetés áramkör ami a legjobb,,amivel kezdtük az egész történetet ezért már ne ragozzuk túl......
-
TheJoeker
tag
válasz
k-feri65
#32748
üzenetére
Kissé értelmetlenül írtam le a dolgot.
A linkeden látható kapcs rajzon van: +Uv, C,S,Ö, GND.gyújtásról elviszi a vezetéket, ráköti +Uv-re, valamint S/Ö-re (kapcsolókkal tudja úgy is állítani a relét), C-ről meg viszi a jelet a fejnek, mint gyújtásjel.
Amikor a kulccsal gyújtást ad, akkor a kis szerkezet megkapja a tápot, elkezd tölteni a kondi, aminek az időtényezőjét a potival állíjat be, kondi feltöltődött, relé dolgozik, C ponton ott a késleltetett jel, boldogság van.
Javíts ki ha tévedek

PiciPeti: Nem is kell hozzá állandó tápot vinni, nem olvastam el a leírását az előbb teljesen.
A fentebbi történetet ajánlanám figyelmedbe az előző hszem helyett
-
válasz
k-feri65
#32750
üzenetére
Itt egy 1.4 dízel Corolláról van szó, amely indítózáskor elveszi az áramot a fejtől...
Ez mind jó és szép, de az lenne ideális egy fejnek, ha az izzítás és azt követő önindítózást is kitudná iktatni...
szerintem az lenne célszerű...nem csak a ki-bekapcsolás árt a zenének, az izzítás is szépen meghúzza a kocsi elektromos rendszerét...(az a 2. legnagyobb fogyasztó, utána a hátsó ablak fűtés és az elektromos szervó)
Nem tudom, a te reléd mennyi a késleltetési ideje, de 10-15 mp is kevés...Nekem benzines corim van, én kiszoktam kapcsolni a fejet...igaz nekem a mély láda erősítőm is eleve késleltetett, kb. 10 mp múlva kapcsolja be a mélyet...
-
k-feri65
senior tag
válasz
Ragadozó
#32749
üzenetére
komolyan nem értem mire akartok kilyukadni...izzit addig a relé szétkapcsol ...Mert ugye a plusz berakott izzitás álltal vezérelt 5 lábu relé szét is tud kapcsolni meg össze is.... utánna visszaadja az áramot az AAC-ra....minek ezt ilyen fogdmeg a csavart dolgokkal bonyolítani??? de Ti tudjátok....
meg gondolom álló helyzetben is szoktad használni a zenét amikor nem izzitasz,,,na akkor ez a relé épp semmibe nem szól bele.....
-
válasz
PiciPeti
#32747
üzenetére
egy plusz izzító relé, nem lenne rossz ötlet, de ha a saját reléje tovább tart zárva, akkor nincs értelme, mert pont azt akarod, hogy az ACC szál addig ne legyen feszültség alatt, amíg izzítasz és önindítózol...
Akksitól húzz be egy 2,5-feles hangszóró kábelt, de az akksihoz tegyél biztosítékot...
Kisebb átmérő is elég lenne, de nálad van szép áramerősség és mélyből adódó feszültség ingadozás, biztosabb egy vastagabb kábel...
Annál vastagabb nem kell, mert a fej áram felvétele nem olyan magas, hisz a végfokok (ha nem is lehet kikapcsolni, esetedben nem tudom, hogy ki lehet-e...) ha nem hajtanak hangszórót, akkor nem vesz fel túl sok áramot...te is láttad gyárilag mekkora kábelt használ a toyota...legtöbb autógyártó nem használ vastag kábelt a fejekhez (franciák és németek szoktak, de kicsit arrébb már vékonyabb
)Hangszóró kábel előnye, hogy minőségi rézből van, ha nem leggagyibb kábelt használod...
Még ötlet, ACC szálon (gyújtáskapcsolónál is meglehet szakítani, ahol múltkor összekötöttem neked egy szálat) nincs sok fogyasztó...
Szerelj be egy ilyet:
[link]Gyújtás kulcsot megfogod, és valami csavarfejet, utána lesz áram az ACC körön és akkor nem a fejet kell nyomogatni egyfolytában...
-
PiciPeti
őstag
válasz
TheJoeker
#32746
üzenetére
Van bent egy Toyota-ISO átalakító, valószínű azt fogom meghegeszteni, onnan tudok +12V-ot, ACC-t, testet levenni. És akkor a kapcsolóból megy tovább egy ACC szál a fejhez. És akkor fejegység csere után is megmarad, a gyári kábelezést se kell szétfaragni...

Testet, meg +12V-ot pedig húzok az akksitól, ez úgyis tervben volt... Csak milyet?

-
TheJoeker
tag
válasz
PiciPeti
#32745
üzenetére
Amit linkeltél 2. alkalommal az tökéletesen megfelel a célodnak.
A 2 állású "kódkapcsolót" késleltetett bekapcsolás pozícióba állítod, mondjuk 5-10secre, adsz rá gyújtást (elkezdsz pörögni az 5-10sec), indítózol, és ha az indítózás ideje belefér az előzőleg a potival beállított időbe, akkor csak az után kap jelet a fej. Így elkerülöd a ki-be kapcsolódást.
Annyi, hogy kell neki egy állandó 12V, a gyújtásról meg leveszed a vezérlőjelet.
-
opeter70
senior tag
válasz
PiciPeti
#32743
üzenetére
Már bocs, hogy beleszólok, de miért keresel időzítő áramkört, amikor az már alapból benne van az autóban? Úgy hívják, hogy izzítórelé, vagy izzító áramkör.
Ha egyszerűen csak az izzítórelé a kimenetére rákötnél egy olyan egyszerű másik relét, amelyik alaphelyzetben zárt és feszültség hatására nyit (biztos létezik ilyen), akkor máris meg van oldva a problémád.
Amíg van izzítóáram, addig a reléd megszakít, abban a pillanatban, ahogy megszűnik az izzítóáram, a relé zár és a fej kap áramot. "Öröm, bódottá"
-
k-feri65
senior tag
válasz
PiciPeti
#32741
üzenetére
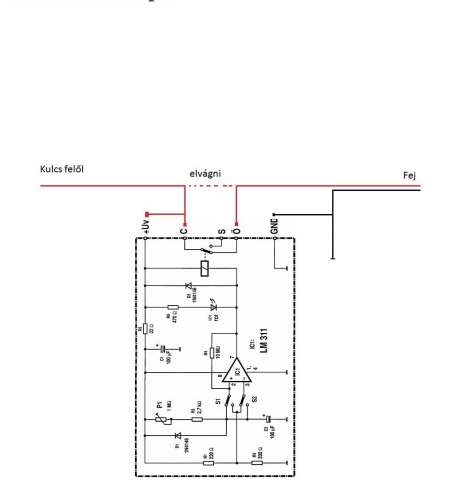
na de.... ha ugye már rajta a betáp akkor mivel vezérled meg,,,(mivel szólsz neki hogy innen kezdve 15 mp után oldjál)? mert nincs rajta több bemenet csak pozitiv negativ....[link]
ott a kapcsolási rajz...ez egy ic-s kapcsolás,,,....ez már kicsit összetettebb..mint a kondis egy tranzisztoros késleltetés..amit Te irsz az épp az ellenkezője mint ami kell nekünk....nem az a lényeg hogy meghuz és tart x ideig... hanem ne huzzon meg és ha x idő után meghúz akkor maradjon is meghúzva.
de még talán az is jó lehet...ha az izzitó áramra rákötsz egy relét..ami akkor meghúz(old) ha izzítasz, és ahogy az izzítás vége akkor ujra engedi az áramot.....hmmm nem tudom...csak egy ötlet.......
-
PiciPeti
őstag
válasz
k-feri65
#32740
üzenetére
Nem, szerintem az egy késleltetett kikapcsolás. Valószínű csak úgy működik, ha a betápon folyamatos +12V van.
Gondolom a kondi tartja behúzva a relét, leírásban benne is van, hogy nagyobb kondival kitolható a késleltetés. A potival meg a kondi feltöltődését tudod szabályozni szerintem.
Nálam a kocsiban a beltérvilágítás is ilyen, nem alszik ki egyből, hanem 3-4mp múlva szépen elhalványul. Ott is egy kondi sül ki szépen lassan.
Ismétlem, nem értek az elektronikához, ez erős következtetés...

-
k-feri65
senior tag
válasz
k-feri65
#32739
üzenetére
mondjuk azt még nem értem, hogy ki/be kapcsoló....mert ha ráadod a tápot bizonyos idő után tovább engedi, az oké....ez kell nekünk...
de mi a másik a kikapcsolás?...mert ha állandóan kap 12 voltot akkor ugye behuzva van a relé....de mi a ráktól fog az ..x.. idő után kioldani?? honnan kapja a felszólítást, hogy engedj el mondjuk 5 másodperc után???
vagy amikor ráadod a tápot egyből behúz aztán ..x..idő után elenged....na ez lehet....
-
PiciPeti
őstag
válasz
k-feri65
#32737
üzenetére
Igen, közben nézelődtem még az oldalon, és találtam ezt: kapcsoló 2
Egyszerűbb, kisebb, olcsóbb.
"Késleltetett ki/be kapcsolóFőbb jellemzők
Időtartomány: kb. 0,5 s - 150 s
Leírás
A kódkapcsoló állásának megfelelően a relé a tápfeszültség bekapcsolása után késleltetve húz meg, vagy enged el. A meghúzási ill. elengedési késleltetés trimmerpotméterrel 0,5 s és 150 s között fokozatmentesen állítható, egy nagyobb elektrolit kondenzátorral pedig meg is hosszabbítható."
Szerintem ez jobb lesz, és letölthető a leírása is, bár elég vérszegény.

-
k-feri65
senior tag
válasz
PiciPeti
#32736
üzenetére
nézegettem kb azt a panelt,,van rajta két "gomb" kb arra gondolok, hogy kap egy fix 12 voltot..és van egy kimenete ha megnyomod a gombot akkor azon ..x.. ideig kimegy a kapcsolt 12 volt... a másik gombbal meg idő elött lekapcsolhatod ha nem akarod megvárni a beállított időt,,,,, de ez csak egy feltevés,,,,
-
PiciPeti
őstag
válasz
k-feri65
#32734
üzenetére
Igen, ez elég furcsa nekem is, mondjuk korrektek, vettem már tőlük akkuőrt, normális kiszolgálás, stb...
Valószínű egyben van a leírás a kapcs rajzzal, és a reprodukálhatóság elkerülése miatt van így...Mindenesetre a fő jellemzők ott vannak, más részemről nem fontos, mert nem értek hozzá...

Még rágódom a dolgon, de szerintem megpróbálkozok vele, aztán meglátjuk mi sül ki belőle. Remélem nem füst...

-
DarkByte
addikt
válasz
djmorphy
#32714
üzenetére
Hátha ez segít valamit, bár a tiednek úgy látom van Remote szál kezelése.
Én még a nyár végén vettem a Blaupunkt gTb 8A-t és az a bejövő jelszintre kapcsol ki-be, nincs remote bemenete. Tesóm - aki autó villamosság szerelő - be is kötötte, kapott egy relét pluszban ami a gyújtási árammal kapcsolja ki-be hogy véletlen se tudja éjszaka lehúzni az akksit valamiért. Ennyire nem bíztam az automatikában és mint látni fogjátok nem volt alaptalan a félelem. Nem is volt vele gond látszólag, aztán egyik indításkor elfelejtettem feltenni a rádió előlapját. Amikor beindítottam a kocsit, elkezdett búgni. Valószínűleg az RCA kábelen a rádiótól a ládáig összeszedett valami zajt valahonnan és erre kapcsolt. Teljesen véletlen volt hogy mikor jött elő. Gondolom előlap és standby mód nélkül a rádió valamit nem csinál az előerősítő kimeneten (nem húzza a jelvezetéket testre vagy tudom is én). Végül is úgy oldottuk meg hogy a rádiónak van egy Remote/tetőantenna jelkimenete ami elég erős volt ahhoz hogy az gyújtási áramra kapcsoló relét vezérelje. Azóta tökéletes hiszen ha a rádión nincs rajta az előlap, a relé sem húz be soha és így tápot se kap a láda. Esetleg a tiedét is át lehet így kötni így egy relével hogy már tápot se kapjon a láda az akku felől ha a rádió nincs bekapcsolva. Lehet itt is valami ilyesmi baj van és ezért kapcsolgat ki-be. De ez csak egy laikus tipp, majd a többiek elmondják róla a véleményüket.

-
PiciPeti
őstag
válasz
Osynho
#32726
üzenetére
Olcsóbbnak olcsóbb, az biztos, de nekem egyszerűbb lenne nem foglalkozni vele.
Műszerfalat meg miért kellene szétbarmolni? Egyszer beállítom, lezsugorozom, aztán elfér a fejegység mögött. Sose lássam többet kategória...

Tápkábelre valami ötlet? 8asnál vékonyabbat nem találok sehol, az meg azért túlzás lenne sztem.

-
PiciPeti
őstag
válasz
kavics325i
#32728
üzenetére
De ACC szálon csak vezérlőjelet kap, onnan nem szedhet zajt elvileg nem? Akkor az erősítők remote szála is okozhatna zajt, ilyenről meg még nem hallottam...
Ha volt 7750-ed, akkor tudod milyen szívás kapcsolgatni, készenlétiben meg megy az egérmozi...

-
kavics325i
őstag
válasz
PiciPeti
#32722
üzenetére
Ahogy Oszinnyhó írta, ki kell kapcsolni a fejet mielőtt indítózol. Az, hogy ez időben hol helyezkedik el a kulcs kivétele előtt avagy a reggeli első acc-n lévő állásnál lényegében mindegy. Nekem is dízel van, de gyárilag két akksi van benne, úgyhogy nekem nem volt ilyen problémám. Amikor a drága exide kifekütt a gagyi noname akkor is bírta, bár a fej kikapcsolására akkor is ügyeltem. Ennyi
-
PiciPeti
őstag
válasz
Osynho
#32723
üzenetére
Jah ezt nem írtam, nem akarok kapcsolgatni...

Főleg, hogy a fejet elég nyögvenyelős kikapcsolni (Sony 7750), mert van egy készenléti állása is. Szóval ha röviden megnyomom, akkor csak készenléti, és utána hosszan kell nyomni hogy ki is kapcsoljon.
Bekapcsolásnál dettó.
Ehhez nincs türelmem.
-
PiciPeti
őstag
válasz
kavics325i
#32720
üzenetére
Köszi! Igyekszik az ember...

De akkor én is kérdeznék. Lehet túl sok időm volt gondolkodni az ünnepek alatt...

Szóval a cuccom egy dízel autóban van, ahol ugye az indítás úgy néz ki, hogy előbb izzítok (ebben az időjárásban ~2mp), aztán indítózok. Ahogy elfordítom a kulcsot ON állásba, azzal átfordítom ACC-n, tehát bekapcsolom a fejet, és ezzel az egész rendszert. Pont úgy jön ki a lépés, hogy amint vége az izzításnak, addigra bekapcsol, aztán indítózás alatt kikapcsol, majd megint bekapcsol.
Ezt a ki-be kapcsolgatást akarom megszűntetni, egyrészt idegesítő, másrészt nem tesz jót a cuccnak sem...
Arra gondoltam, hogy tennék az ACC szálra egy időkapcsolót, amin beállítok mondjuk 5mp-t, ezzel az izzítás alatt tuti nem kapcsol be a fej, majd indítózásnál elveszi az autó a +12-t az ACC-ről, tehát ismét 5 mp-ig nem kapcsol be. Az indítás utáni fesz tüskéket is ki lehet talán így szűrni.
Szóval a kérdés, hogy valaki csinált-e már ilyet?
Kapcsolóra valami ötlet?
Első körben ezt találtam: időzítő áramkörA másik kérdés részben ebből fakad, gondolom nem ártana egy normálisabb kábelt húzni a fejegységnek, főleg ha már ott matatok...
Milyen kábelt szoktak erre használni? Milyen keresztmetszettel? ISO csatlakozónál hogy szokás megoldani? -
Stehe
aktív tag
Sziasztok!
Kb. egyéve épített autóhifihez kérnék egy kis segítséget:
- Pár napja nem szól a jobb oldali hangszórók kötül sem a magas, sem a mély. Leszedtem a kárpitot, és láttam, hogy a mély hangszóróba (ajtóban lévő) hangszóró kábel "elfehéredett": a hangváltóból kicsavarva fehér por jött ki belőle, ill. a kék színű (félig átlátszó) kábelen látszódik, hogy a kék műanyag szigetelés alatt is megy végig egy fehér "vonal". Csak az első kb. 50 centit tudtam megnézni, mert annyi van az ajtóban. Ennek mi lehet az oka? Nedvesség érhette belül az ajtót, v. oxidáció okozza?
- Ill. a magas hangszóró valamiért egyáltalán nem akar megszólalni. Ideiglenesen a mélyet sikerült megjavítani, viszont a magas valamiért nem ok. Ha a kábel végéhez teszek egy elemet ellenőrzésképp hallatszódik a pukkanás, vagyis ott nem kontakt hibás. Viszont a hangváltóra kötve már nem ad hangot. Annak mennyi lehet az esélye, hogy a hangváltó a rossz? Annak nem örülnék, fogalmam sincs, hogy honnan szereznék egymásikat...
Vagy érdemes lenne szétszedni a váltót és megtisztítani?Köszi az ötleteket előre is!
-
PiciPeti
őstag
válasz
djmorphy
#32716
üzenetére
Gyorsan szétnéztem itt az aprón.
Erősítő: Signat
Mindkettő jó erősítő, a 4 csatis ennyiért nagyon jó vétel szerintem, és akkor az első hangszóróidat is rá tudod kötni. Ég és föld lesz a fejegység hangjához képest...
Szettben: JBL Ilyet hallottam már, egész kellemes...
Ha ezekből kellene választani, akkor a 4 csatis Signat, ahhoz a JBL mély (ha hangosat akarsz) / Helix, ha szépen szólót, és rákötném az első szettet is.
Fejegységből hirtelen csak ezt leltem, az utolsó jó Sony fejegység sztem: Sony 700D
-
PiciPeti
őstag
válasz
djmorphy
#32716
üzenetére
Akármelyik autószervízben tudnak segíteni ebben. Aki látott már ilyet, annak 5 perc kb...
Fejegységből, és ládából is lényegesen jobbat tudnál venni ilyen áron, ha nem zárkózol el a használt cuccoktól. Mélyből az ilyen aktív (beépített erősítős) ládák nem képviselnek valami nagy minőséget, szóval inkább egy sima, passzív láda + erősítő.
-
opeter70
senior tag
B.Ú.É.K mindenkinek!
djmorphy: Amikor a gyújtást leveszed, a fejegység kikapcsol? Ha a fejegység kikapcsolt, akkor is "hupákol" ?
Húzd ki az RCA kábelt vagy a magas jelszintű bemeneteket az erősítőből (attól függően, hogy melyik van bekötve). Ilyenkor is csinálja?
Esetleg adjál a remote (REM) bemenetre ideiglenesen fix 12V-ot, hátha a fejegység ad valami miatt szaggatott bekapcsoló jelet.
De én is úgy vélem, hogy az erősítő lesz a ludas.Ja, és használd a Link gombot, ha valamit linkelni szeretnél!

-
PiciPeti
őstag
válasz
djmorphy
#32714
üzenetére
Ehh...
Szerintem erősítőhalál, de az is érdekes, hogy gyújtáslevétel után hogy maradt bekapcsolva (áram alatt) a láda. Mindenképp nézesd meg egy elektromos emberrel, mert ez így nem valami biztonságos.
Amúgy ha van rá mód, szerintem kérd vissza a pénzed, nem a legjobb komponenseket választottad.

-
djmorphy
tag
Sziasztok!
A segítségeteket szeretném kérni, mert nem igazán érték az autóhifikhez. Vettem egy Sony CDX-GT450U fejegységet. Vettem még egy SAL RX10/A mélyládát. Egy ideig működött is rendesen. De egyszercsak gondolt egyett és elkezdett "hüppögni" (bocs nem tudok jobb szót rá). Amikor kivettem a kocsikulcsot akkor is folytatta egy jó ideig. Itt van róla egy videó: https://picasaweb.google.com/110516734128602546506/SALRX10A?authuser=0&authkey=Gv1sRgCPPXl-KZ4pa03gE&feat=directlink
Egy Suzuki Wagon R+-ba van berakva
Visszaküldtem mind a Sony fejegységet mind a mélyládát de ugyan úgy fennáll a probléma. Tudnátok segíteni, hogy mi lehet a gond? -
PiciPeti
őstag
Decibel, és színpadkép teljes boldog új évet mindenkinek!

-
k-feri65
senior tag
B.U.É.K.
-
k-feri65
senior tag
válasz
kavics325i
#32709
üzenetére
van egy vinyóm 500 as... rajta van az összes zeném,,de csak kb kétszer használtam, vannak a 32 es pendrájvok amiken elfér ami kell..és nálam gyorsabb mint a winyó...meg nem sajnálom lent hagyni ebben a párás szaros időben...
a fázist meg a rózsazajjal allítom....vagy a rádióval antenna nélkül....
-
kavics325i
őstag
válasz
k-feri65
#32707
üzenetére
Egyébként Te meg vagy elégedve a vinyó hangjával?
Most rendeltem én is egyet igaz 40 napos visszafizetési garanciával,de bízom benne,hogy jó lesz.
Én egyébként fázist ezzel szoktam tesztelni: Thom Rotella band-Friends. A nagy-nagy kedvencem meg Ling Ren-The Singer Sing. Na ott van magas simogatás -
kavics325i
őstag
válasz
k-feri65
#32707
üzenetére
Igen,az "Ő fülük" után mentem,amikor ezt a rendszert kiépítettem,mivel kísérletezgetni nem volt kedvem,és hát ha valaki Ők jól ismer(het)ik a jbl-t. A végeredmény bár az ajtók még nincsenek kiszigetelve,mert közben ajtó bezárási problémáim adódtak így az tavasz lesz,így is nagyon tetszik. Igaz az eq-ba bele kellett nyúlnom ami szigeteléssel vagy marad vagy nem,de kiemelni nem volt szükség semmit. Viszont ahhoz képest,hoy autó nagyon rendben érzem,mondjuk így,hogy balon fázist fordítottam elég macerás beülni a középső ülésre,de ha beülök középre és oda állítok mindent akkor verhetetlen számomra.
-
k-feri65
senior tag
válasz
kavics325i
#32706
üzenetére
mondjuk az lehet, hogy a jbl miatt van,,,nekem is volt az infinity referenc-em ami kb jbl...annak a magasai nekem is picit ércesek voltak....Kovács Tamásék ajánlották?
most hogy írod a fegyveres dolgot,,,akkor értem már a stinger dolgot::::
))) na jó csak vicceltem... 
-
kavics325i
őstag
válasz
k-feri65
#32705
üzenetére
Nem,bár tudom,hogy többek között Te is pont ezt a problémát vetetted fel a kábellal kapcsolatban,de amikor én kábelt választottam a jbl-esek tapasztalatai után mentem és ezért ezt kötöttem be. Bár meglehet egyes hsz-ek esetében tompít és rontja a képet,de nálam meglehet a gti-nek pont erre a zabolázásra van szüksége. Én nem érzem hiányát a magasnak,hozzáteszem egy jó pár évig eldördült a fülem mellett fegyver,úgyhogy nem biztos,hogy a fülem átvitele a legoptimálisabb,de a rendszeres orvosi vizsgálatokon mindig jó volt a süketszobai mért eredmény. 5-5-5-5-5-5 végig.
-
k-feri65
senior tag
válasz
kavics325i
#32704
üzenetére
nem nyeli a magas hangot a kábel?
-
kavics325i
őstag
válasz
k-feri65
#32703
üzenetére
Nem,legalább is nálam nem. Pont amiatt kell fordítanom benne a fázist vagyis nálam ez bonyolultabb,de mindegy. Lényeg nincs mindig mindenhol össze kötve. Gyakorlatilag az egész erőt együtt néztük át a szervizben,hogy megoldást találjunk a problémámra.Úgyhogy a sajátommal képben vagyok.
De egyébként az árnyékolásra az erősítőn kívül van szükség. Amiatt a koax szerepe ott érvényesül(HET!!!).
Nyilván ha recept lenne a koaxiális felépítés és az mindennél jobb lenne akkor mindenki azt alkalmazná.
Szóval ez így engem nem is foglalkoztat. Látod Rodolpho is le fikázta a kordiálokat köztük a cls-125-561-et is. Így biztosan szólhatna még ettől is jobban a rendszerem,de arra már egy árva petákot sem vagyok hajlandó áldozni. -
k-feri65
senior tag
válasz
kavics325i
#32701
üzenetére
na akkor most megint izé leszek,,,mert ugye az erősítőn belül a jobb oldal minusza ugyan az a pont mint a bal oldal plussza,,( belül összekötve) ,na akkor most télleg dől minden....
Új hozzászólás Aktív témák
● A topikban TILOS hirdetni!
● Az összefoglaló elolvasása kötelező, a legtöbb kérdésre választ kapsz.
● Az összefoglalóban megtalálható kérdésekre NEM válaszolunk.
- NVIDIA GeForce RTX 5070 / 5070 Ti (GB205 / 203)
- Facebook és Messenger
- Luck Dragon: Asszociációs játék. :)
- Gaming notebook topik
- ThinkPad (NEM IdeaPad)
- iPhone topik
- PlayStation 5
- Revolut
- CES 2026: A Hohem kompakt SSD-je telefonos USB-elosztó is
- HiFi műszaki szemmel - sztereó hangrendszerek
- További aktív témák...
- iPhone 13 128GB gyári független gyári 94% akku számlával
- Fujitsu LifeBook E5410 üzleti laptop i5 Gen10 / 16GB RAM / 512GB SSD / Újszerű akku-szép állapot
- HPE ProLiant DL380 Gen7 --2x Intel Xeon X5650 -48GB ram -6 x 1TB HDD
- Eladó Apple iPhone 17 Pro 256GB Kozmosznarancs
- HPE Smart array P440 PCIe3 x8 SAS Controller (749797-001)
- HIBÁTLAN iPhone 12 mini 64GB Black -1 ÉV GARANCIA - Kártyafüggetlen, MS3818
- HIBÁTLAN iPhone 12 Mini 64GB White -1 ÉV GARANCIA - Kártyafüggetlen, MS3645
- HIBÁTLAN iPhone 15 Pro 128GB Black Titanium -1 ÉV GARANCIA -Kártyafüggetlen
- HIBÁTLAN iPhone 13 128GB Pink -1 ÉV GARANCIA - Kártyafüggetlen, MS4243, 100% Akksi
- Készpénzes / Utalásos Videokártya és Hardver felvásárlás! Személyesen vagy Postával!
Állásajánlatok
Cég: Laptopszaki Kft.
Város: Budapest
Cég: PCMENTOR SZERVIZ KFT.
Város: Budapest
)




Nálam pl. úgy van beépítve,hogy a kick felett van közvetlenül a magas egy síkban a kick-el
![;]](http://cdn.rios.hu/dl/s/v1.gif)











