Hirdetés
- Műholdas AI chippel fedné le a bolygót a Samsung
- Samsung Galaxy S25 Ultra - titán keret, acélos teljesítmény
- „Új mérce az Android világában” – Kezünkben a Vivo X300 és X300 Pro
- Yettel topik
- Samsung Galaxy S22 és S22+ - a kis vagány meg a bátyja
- iPhone topik
- Honor Magic V3 - mágikus realizmus
- Huawei Watch GT 6 és GT 6 Pro duplateszt
- Samsung Galaxy Z Fold7 - ezt vártuk, de…
- Android alkalmazások - szoftver kibeszélő topik
-
Mobilarena
Ez itt, az elektronikával hobbiból foglakozók fórumtémája.
Lentebb összegyűjtötttem néhány elektronikával kapcsolatos, hasznos linket.
Új hozzászólás Aktív témák
-
Dr. Szilikát
őstag
válasz
Gregman
#92297
üzenetére
A piros FPCAP (Functional Polymer Aluminum Solid Electrolytic Capacitor) cseréje jó ötlet szokott lenni egyébként?
Hibás egyáltalán, vagy csak beteszel helyette valami rosszabbat?
https://www.nichicon.co.jp/english/products/pdf/2012fpcap_catalog_all.pdf
-
aujjobba
addikt
válasz
demars
#92295
üzenetére
Itt egy régi, de elég alapos leírás, én innen tanultam: [link]
Lapozós, 12 oldal, mindenre kitér.
Nátrium perszulfáttal maratok, az alkohol bázisú Permanent OHP Marker típusú filc állja, ezt úgy csináltam:
Lézernyomtatós toner-transzfer módszerrel, műnyomó lapra nyomtatva, laminálógépen néhányszor átküldve a 20mil széles sávok is szépen kezelhetők:
(de amúgy a furatok körüli körök annál is vékonyabbak)
-
Gregman
tag
Sziasztok!
Egy kis segítséget kérnék.
Néhány elktrolit kondenzátort szeretnék kicserélni egy alaplapon.
A legtöbbről leolvasható a kapacitása és a feszültség értéke, de akad néhány amivel még nem találkoztam ezelőtt (piros-fehér).

Meg tudja valaki mondani, hogy milyen kondenzátorok ezek?És ezek az alakatrészek micsodák?


Köszönöm,
Greg. -
demars
addikt
válasz
leweegee
#92290
üzenetére
Valahol van maratás álló filcem. Vasklorid nincs itthon. Azt a módszert ismerem, illetve olvastam róla.
Nátrium perszulfát marató van, meg nátrium hidroxid. Ezek kristályos anyagok, nem tudom hogy kellene használni (milyen oldat).
Szerzek vaskloridot, legtöbben azt használják otthon.
Egyébként megy szépen, csak rohadt hangos, így abba hagytam mára.
-
Batman2
addikt
válasz
rednifegnar
#92287
üzenetére
Az IC-t még nem cseréltem, de már az is megfordult a fejemben, hogy esetleg hibás lehet.
Mindenhol azt találom, hogy ez egyszerű kapcsolás, mindenkinek jó, én meg kínlódok vele.
Arra is gondoltam, hogy egy egyszerű 555-ös négyszög kapcsolást kellene betenni 2Hz-es frekvenciára állítva, lehet az is pontosabb lenne, mint most ez.
El is kezdtem vele kisérletezni, de elektrolit kondenzátorral nagyon hőmérséklet függő, tantál gyönggyel már jóval kevésbé. Viszont ennek a kimenetét sem találtam elég stabilnak, kicsit mászik a görbe a szkópon, kicsit bizonytalanul inog a jelalak. A frekvencia mondjuk tized Hz-ig stabil volt a tantál kondival, csak a század Hz változott. De hőmérséklet változásra itt is volt ennél nagyobb ingás, mondjuk 1,9 és 2,1Hz között. A 4060 nem tudom ehhez képest mennyire stabil RC elemekkel, kvarc helyett. De a kvarcnak kellene a legjobbnak lennie.
Persze a frekvencia stabilitás és jelalakban is okozhat szerintem kis eltérést maga a szkóp elektronikája is okozhat kis mértéű elalak torzulást, frekvencia ingástÚdv.
-
leweegee
aktív tag
válasz
rednifegnar
#92291
üzenetére
Na ja a kés mindenre is jó volt, csavarhúzó, blankoló, marószerszám. Az én "multiméterem" egy laposelem+zseplámpaizzó volt. Egy bontásra megkapott rossz rádió meg maga volt a mennyország.... most meg térdig gázolunk a sok ehulladékban.
-
rednifegnar
senior tag
válasz
leweegee
#92290
üzenetére
hat en anno kes hegyivel vegigkapartam meg meregettem sajat csinalasu multimeterrel, hogy atvezet e, ahol gyanus volt ott kapartam meg kicsit

aztan mar olyan meno voltam, hogy apam hozott vasklorid kristalyt melohlyerol (egy papirba becsavarva), akkor azzal frocskoltem ossze minden ruham anyam oromere, regi szep idok
-
leweegee
aktív tag
-
-
rednifegnar
senior tag
válasz
Batman2
#92281
üzenetére
ic-t nem csereltel? multkor nekem most volt egy pic-em ami mukodott de nagyon bizonytalanul eltartott egy darabig mire rajottem, hogy azzal van a gond mert latszolag mindene jo volt (az is kulso kvarcos volt), betettem egy ujat es minden meggyogyult. ha levalasztod a 74-esekrol es ugy mered a szkoppal akkor is bizonytalan?
-
Dajkusz
tag
Sziasztok. Valaki tudna nekem abban segíteni, hogy lehetséges-e 3darab egyforma (15v 1a) modem adaptert összekötni hogy 45v legyen a kimenő feszültség? Ha lehetséges akkor hogyan kell? Előre is köszönöm.
-
demars
addikt
Első próbálkozás:


Még sohasem marattam, így a "kaparás" mellett döntöttem.
Kis akkus maróval (Parkside) végigmegyek a nyákon. Lassan haladok, de jó lesz.
Meg jó ronda
-
Dr. Szilikát
őstag
válasz
Beni2360
#92277
üzenetére
Félreérted, 1,5 Ah azaz 1500 mAh kapacitású cellák vannak benne, gondolom. De soros kötésben is 1,5 Ah az eredő. 1,5 A másik mértékegység, illetve téves adat, butaság szakmailag.
Névleges értéken 5 x 3,7 = 18,5 V valószínűleg, amire 20 V-ot hazudnak, ez bevett dolog sajnos (marketing).
5 x 4,2 = 21 V a töltési végfeszültség.
-
Batman2
addikt
válasz
ecaddsell
#92270
üzenetére
Szevasz
A Q3 kimenet a legjobban osztott kimenet, itt kellene stabil 2Hz-et mérjek. Nem itt mértem a 2Hz-et, hanem az ellenállás lánc végén, mielőtt a számlálókra kerül a jel.
A Q9 az osztatlan jel, itt mértem a 32KHz-et, csak asszem a szkópom csak kettő tizedesig írja ki, nem tudja a 32,768-at, de úgy emlékszem, hogy már itt sem volt stabil a frekvencia. A Q6-os kimeneten már osztott, asszem 256Hz.
Annyi a különbség ezen 4060-as és a többi kapcsolás között, hogy itt az óra beállítása a 4060-as nagyobb frekvenciájú kimeneteivel, egy ellenállás hálózaton keresztül történik, míg más óra kapcsolásokban ez a számláló részben van kiképezve, és nincs ellenállás hálózat. Nem tudom, hogy az ellenállás hálózat nem ront e a jel stabilitásán.
A kvarcot cseréltem mert bár úgy emlékszem, hogy azzal is próbálkoztam, de az 5db kvarcból csak a beépítettnek vágott a lába, így mégsem volt cserélve.
Tegnap be volt fedve az áramkör, így felűlről is volt árnyékolása, de nem változtatott semmit.
Üdv. -
Beni2360
félisten
Volna egy egyszerű kérdésem. Adott egy akus fúró csavarozó ami az adatok szerint 1.5 A-s aksival szállítanak. Na van benne 5 db 1500 mAh aksi, ez így mennyi az annyi?
Válaszokat előre is
-
Honda567
tag
Sziasztok
Van egy ilyen szendvics sütőm
ezekre a sarukra lehet zsugor csövet tenni?
Cseréltem rajta a sarukat, elég közel van a fűtőszál
hozzá de lehet nem olvadna le a Zsugorcső.
-
ecaddsell
aktív tag
válasz
Batman2
#92258
üzenetére
A jel stabilitását valami kevésbé leosztott kimeneten próbáld megnézni pl. Q3.
Egy időben foglalkoztam pontos frekvenciamérő tervezéssel, a kristályok stabilitását hőmérséklet, vibráció vagy éppen az is, hogy melyik oldalára van fordítva befolyásolja (ma az összes hobbi szintű komoly mérő GPS vevő kimenetére van szinkronizálva és dupla termosztátos).
Az aging sem lineáris, van amikor megugrik, bekapcsolás után nem onnan indul mint amikor kikapcsoltad stb.
Komoly műszerekben termosztátban ill. dupla termosztátban is csak olyan 8 digit pontosságot lehet elérni GPS vevő nélkül (a felbontás ennél lehet jóval több is 12-15 digit).
A kristály cseréjével érdemes kezdeni ha nincs hozzá műszered, ez filléres tétel. -
daninet
veterán
Jumperless breadboard megvan mindenkinek?
-
aujjobba
addikt
válasz
aujjobba
#92264
üzenetére
Igen azt látom, hogy a kapacitás a frekvencia növelésével egyre csökken, majd egy pont után induktivitásba fordul.
A kondin alkalmazott DC feszültség (DC bias) növekedése is csökkenti a kapacitást, néhány típusnál elég drasztikusan.
Aztán ott a hőmérséklet függés is.
Az impedancia is csökken a frekivel.
A frekvencia ismert (800kHz max), a DC bias is (6.2V), ebből és az alkalmazott kondik karakterisztikáját “ismerve” kell a jó megfejtést kisakkozni.
-
aujjobba
addikt
válasz
Batman2
#92260
üzenetére
Nincs itthon kétoldalas, ráadásul a helyi elektromos üzletben sem.
Plusz a másik oldalt maratás elleni védelme is hiányzott nekem, de most már tudom: modell festék.
Köszi!Más: először egy darab 22uF tantál kondit tettem a kimenetre, majd aztán plusz egyet így lett 180-200mV a kilengés, de a jelalak szép szabályos mint az adatlapon.
Aztán tettem mellé plusz egy 10uF kerámiát, így lett 40-80mV a kilengés, de ennek a nagyját az éles kilövések adják (amiket MLCC nélkül nem láttam) és középen fut kisebb amplitúdóval a hullámos jel.
Itt most a szkóp csap be (rosszul nézem és a kilövések valójában nem is léteznek), vagy tényleg ott vannak és az probléma?
A rugót használom a GND-hez nem a hosszú klipet.
Inkább több mlcc-t érdemes használni, vagy inkább tantál, vagy vegyesen? -
Batman2
addikt
Meg lehet próbálni, de tapasztalatom, hogy az alsó, edénnyel érintkező, vagy nagyon közel levő oldalon nem elég a maratószer áramlása, össze-vissza megy a maratás, továbbá a nyáklap mozgatása során az alsó oldal maszkolása (festés, fotolakk, vagy nyomtatófesték) sérülhet, és akkor hiányos, vagy alá mart lesz a minta, de semmiképpen sem jó.
Ha persze valakinek van egy függőleges marató kádja, amibe a lap a két szélénél fogva, függőlegesen rögzítve van és a maratószer keringetés pumpás, esetleg mozgatással történik, akkor jó lehet.
De én mindig valamilyen műanyag tálban, dobozban maratok, aminek azért nem biztos, hogy teljesen sima az alja.Üdv.
-
Batman2
addikt
válasz
Dr. Szilikát
#92256
üzenetére
Ilyen problémám volt még sok évvel ezelőtt régi panel lakásban, mikor meg lett az első asztali gépem. A lakásban csak a fürdőszoba és a konyha tartalmazott olyan konnektort, ami elvileg földelt volt, a szobákban viszont sehol.
A konyhában később kiderült, hogy valamiért semmilyen áramellátása sem volt konnektornak, csak a fürdőszoba volt rendben. Mivel az eredeti vezetékek sok helyen a panel hézagokban. vagy a pelben csatornában futnak, így nem sikerült megtalálnom, hol van a hiába, inkább a biztosíték táblától húztam be egy 3 eres, szalag falkábelt.
A szobákba pedig egy külön szál földelést vezettem be a padló-fal sarokban, a PVC szegő alatt vezetve és többé nem rázott (csípett meg) a számítógép háza.Üdv.
-
Batman2
addikt
válasz
aujjobba
#92259
üzenetére
No de miért nem mindkét oldalán rézfóliával ellátott nyákra készítetted, akkor nem kellett volna ragasztással bajlódni ?
Többször csináltam már kétoldalas nyákot, a fentebbi hozzászólásomban szereplő óra áramköri panelje is az, de nekem is van táp panelem ilyen, nem is egy.
Egyik oldalát lefestem modellfestékkel, majd a mási oldalán elkészítem a rajzolatot, és maratom. Utána ezt az oldalt festem le teljesen, a másik oldalról leszedem a festéket, majd felviszem a rajzolatot és ismét maratás, majd mindent megtisztítok és kész a panel.
Lehet a rajzolat kézi, lehet vasalós, lehet foto módszer, mindegy.
Az éppen nem szükséges oldalt festékkel fedem teljesen.Üdv.
-
aujjobba
addikt
Szegény ember házilagos kétoldalas nyákja via-kkal.

Két egyoldalas nyák pillanatragasztóval össze, a via egy lyuk amin vezetéket átdugva mindkét oldalt beforrasztva.
Nyilván minden IS ragasztós lett, az elülső oldal is, attól néz ki ilyen fosul.
Meg aztán sikerült pákával szórakozni, mert az SMD-hez való méregdrága ón tönkrement.Amúgy nem lett annyira pocsék, 40-80mV kilengés van a kimeneten.


-
Batman2
addikt
Vagy 2 éve építettem meg ezt az egyszerű Nixi órát, de azóta is kínlódok az órajel generátorával.
Nem volt teljesen világos, hogy a számoló egység nem számol jól, vagy az órajel generátor nem pontos, de ez utóbbi a valószínű.
Az ábrán a bekeretezett részben található, egyszerű, kvarc vezérlésű, 4060-as IC-vel megvalósított órajel generátor látható.
Az R1 ellenállás nálam 15M, az R2 470Kohm, az R3, R4, R13 ellenállás az amit ír az ábra, a kvarc is a 32,768Khz-es órakvarc, a C5, C6-os kondi egyaránt 16pF-os.
Ezzel a kiépítéssel előfordult, hogy 3 hónapig pontos volt, de sokszor az is, hogy 1 nap alatt összeszedett 5-6 másodpercet pluszt, vagy akár 1-2 percet is. A különbség csak annyi volt, ami talán befolyásolhatta, hogy a tápot képező kicsi hálózati trafó távolabb volt letéve a paneltól, de ez sem mindig jött be.
Előtte sokféle C5 és C6-tal is ki volt próbálva.
Most újra elővettem, közben költözött egy az óra másik lakásba és készítettem hozzá egy dobozt, eddig szabadon volt az egész szerkezet.
A tápot a paneltól egy leföldelt, alufóliával bevont lemezzel elválasztottam, de az alja a doboznak nem fóliás és a teteje még nincs feltéve, ami viszont fóliás lesz.
Most újra beüzemelve naponta siet 1-1,5 percet.
De ha elemről megy (3V), csak az órajel és logikai rész, akkor pedig egy éjszaka alatt pontos maradt.
Olvasgattam a 4060-as kvarc oszcillátor kapcsolásról sokat, találtam olyan információt, hogy a C5-ös kondi kapacitása, a kvarc belső kapacitás értékének 2szerese kell legyen, a C6-os pedig valahol 5 és 50 pF között, trimer kondival beállítható, de alap esetben a C5-ös és C6-os kapacitása megegyezik, ez is jó szokott lenni.
Nekem a korábban leírt viselkedés mellett kettő 16pF-os kondi volt benne és 470K-os R2.
Az R1-re azt találtam, hogy 1-15M ohm között (vagy semmi), az R2 értéke pedig 1K ohmtól max. 1M ohmig változik az értéke, attól függően, hogy kicsi, vagy nagy belső kapacitású, méretű kristályról van e szó.
Ha a kristály nem indul, akkor R2-t kell kisebbre venni, ha meg elindult, de leáll, akkor R1-et kell kisebbre venni. Ha R2 túl kicsi, akkor kristály pedig átválthat a frekvenciája felharmonikusára, vagyis magasabb frekvenciára.
Ezek alapján nekem az adatlapja szerint 12,5pF-os az óra kvarcom, így kicseréltem a két kondit 27pF-osra. Az R2-t pedig cseréltem 250K ohmosra.
Erre az volt a változás, hogy az óra még jobban elkezdett sietni, másodpercenként 2-3szor is előfordult, hogy 3-4 másodpercet egymás után, jó láthatóan sűrűbben váltott, mint másodperc.
Visszacseréltem az ellenállást, de nem 470K-ósra, hanem 680K-ra, de ettől sem javult meg teljesen, ismét "csak" napi 1-1,5 perc a sietés.
Nem tudom eldönteni, hogy valami zavart vesz fel az órajel generátor, attól hülyül meg, vagy még mindig a valamelyik alkatrész érték nem jó.
Teljesen befedve árnyékolással együtt még nem próbáltam.
A két kapcsolóhoz menő vezeték pár centiméteres, nem árnyékolt, de elvileg az a már előállított frekvenciát vezeti csak rá a kimenetre, a számláló logikára, nem kellene már zavart felvegyen.
Mikor a változtatás után nagyon sokat sietett, akkor az elemes periódus alatt is sietett.
Mértem oszcilloszkóppal a kimeneten megjelenő elvileg 2Hz-es jelet, de nem mutatta stabilnak, hol kijelezte a 2Hz-et, hol semmit, és a jel képe is mozgott, "úszott" folyamatosan, nem állt stabilan.
Valaki tud még valami infót ezzel az órajel generátorral kapcsolatban, volt vele dolga ?
-
mezis
félisten
válasz
V.Stryker
#92254
üzenetére
Védőföld:
- Mosogató csatlakoztatva, a fém része és valamelyik másik konnektoron (hosszabbítón) lévő védőföldelés közötti ellenállás mérése-- Érintésvédelmi FI relé ellenőrzése: A fázis és a védőföld közzé egy 5 - 15W-os (230V) izzó. Csak biztos kezűeknek!
Vagy valami barkács készülékkel: [link] -
Dr. Szilikát
őstag
válasz
V.Stryker
#92252
üzenetére
Ilyen rázást könnyen lehet elérni, ha a készülék nem kap védőföldet. A példabeli ábrán a C17 és C18 feszültségosztót képez, elvben 115 V-ot küld a fémvázra, gyakorlatban ennél kevesebb alakul ki, miután terhelésre lejjebb esik.
Életveszélyes nagyságú áram nem tud kialakulni, de minél több zavart képes termelni a készülék, annál nagyobb kapacitásokat építenek be, annál inkább kellemetlen tud lenni.
Feszültségméréssel a rendesen földelt és a nem földelt készülék váza között is kimutathatod ezt a "majdnem" 115 V-ot, ha tényleg erről van szó.

-
V.Stryker
nagyúr
-
V.Stryker
nagyúr
Sziasztok,
Érdekes háztartási elektromos hiba megoldásában kérnék segítséget. Reggel nyitnám ki a mosogatógép ajtaját és ráz. De nem ez a bizsergető, hanem úgy kicsit jobban. Nem is az az igazi 230-as megb@szás azért.
Este pakoltunk bele, semmi baja nem volt. Viszont éjszakára nem is lett elindítva, tehát passzívan állt egész éjjel.Van ötletetek,hogy egyáltalán hol kezdjem a probléma keresését? A mellé bedugott tűzhely fém burkolata nem ráz.
-
demars
addikt
válasz
Dr. Szilikát
#92250
üzenetére
Köszi. Erre voltam kíváncsi. (gyök2)
Jövő héten megérkeznek az alkatrészek. Szeretnék valamit alkotni, ami működik is
-
Dr. Szilikát
őstag
válasz
demars
#92249
üzenetére
A trafó AC-t ad, aminek effektív (RMS) értékét mutatja a multiméter. Ezt gyök2-vel szorozva kapjuk a szinusz csúcsértékét, amire a puffer töltődik. A diódákon eső feszültség levonódik belőle, Graetz-hídnál 2 db egyszerre (vagyis egy időpillanatban).
Hogy mekkora pufferkapacitás szükséges, az függ a terhelőáramtól, illetve az elvárt hullámosságtól.
-
ecaddsell
aktív tag
válasz
Blackmate
#92241
üzenetére
Nem fúj, hanem szív.
Angolul desolder station névvel kell keresni (kiforrasztóállomás).
Ónszippantó is elmegy ha kisebb dolgot kell kiforrasztani (ami nem nagyon viszi el a hőt).Rézharisnya a másik opció (folyasztószerrel átitatva).
Angolul solder wick/desoldering braid/wire. -
demars
addikt
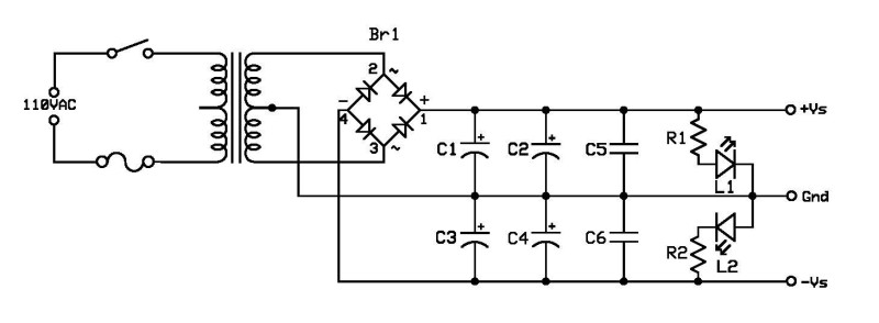
Ennél az (egyszerű) kapcsolásnál, a C1-C4 kondenzátorok értéke lehet pl 10.000 uF a két másik fólia kondenzátor milyen értékű legyen? C5 és C6 illetve, mivel fólia kondenzátort ír a szerző ezeknél a polaritás nem számít ugye?

-
Dr. Szilikát
őstag
válasz
Dr. Szilikát
#92243
üzenetére
Vagyis teleszkópantenna. Védőszemüveg helyett, fújás közben szemet hunyni ajánlatos.
-
Dr. Szilikát
őstag
válasz
Blackmate
#92241
üzenetére
Ónleszívó. Alkalmi használatra megfelel az egyszerű ónszippantó is.
Régen szervizben használtunk még fúvócsövet is. Voltak csődarabok, a teleszkópantannákból. Végét leszűkítjük, hogy jobban fújjon. Pákával melegítés, olvadék lefújása. Igaz, hogy szállt az ón szerte, de az akkori technika nem volt olyan finomságú, hogy ne lehetett volna lepiszkálni a maradványokat. Védőszemüveg? Az sem volt.
-
Blackmate
őstag
Ez micsoda és hol lehet ilyen kapni? https://youtu.be/paUz6n_WIs8?t=1946
Ránézésre egy speciális pákahegy, ami levegőt fúj.Ti ónszippantón kívül mivel tisztítjátok a forrszemeket?
-
qqzs
őstag
Sziasztok. Van egy kinai csoda kapcsoloval valtoztathato szinhomersekletu plafon ledem. Ha gyorsan kapcsolgatom mindig mas szinhomerseklettel kapcsolodik fel (hideg, meleg, natural) ha lassan, akkor mindig a hideggel. Van valami magic amivel lehet fixalni hogy melyik legyen az alap? Szetszedtem de nincs benne semmi allithato. Talan ha osszekotom a hideget meleget a ledcsatlakozonal az megoldas? Nekem mindig a natural amikor a hideg egyutt vilagit a meleggel, kene.
-
demars
addikt
válasz
MasterMark
#92235
üzenetére
Én is arra gondoltam.
Kis panelt belül elhelyezem. A tápellátást kell megoldanom.
Bár kapni ilyesmi komplexebb egységet is. Nem tudom milyen minőséget képviselnek. -
-
KrAt
veterán
Sziasztok!
Adott egy a forgókapcsoló tengelye, amiről a zégert le akarnám szedni, de nem tudom
Szétfeszíteni nem lehet, mert mélyebben ül a furatban, alányúlni szintén nem tudok az alábbiak miatt, és így ki se jön.. 
Próbáltam szöget meghajlítani, de úgy se volt jó, mert elforgott, nem volt annyi helyem, hogy megtámasszam..
Kérdés, hogy szedjem le?


-
Dr. Szilikát
őstag
De attól még a LED-áramot a feszültséggel szabályozzuk, végeredményben. Az áramot méri a driver (általában a szokásos, soros ellenálláson eső feszültséget figyelve) és a feszültséget úgy szabályozza, hogy a kívánt áram jöjjön létre.
Példa kedvéért van egy LED, amin 3,3 V szükséges a munkaáram (300 mA) létrejöttéhez.
Sorosan három, az már 9,9 V-ot igényel. Egyik totál zárlatos lesz, akkor már csak 6,6 V kell és az "okos" driver ezt követi, igény szerint. Ha melegszik a LED, csak durva példa, 3,2 V -ra csökkent LED-enként. Ha öregszik idővel, az is valami kis változás.
Persze, ez nem nagy okosság, csak az egyszerű áramgenerátoros szabályzás.
És akkor mondhatjuk, hogy nem árt egy driver ami nagyobb feszültségtartományt is képes áthidalni, noha alapesetben csak kisebb változások vannak. Másrészt az is igaz, hogy a feszültség nagyobb arányú csökkentése nem olyan nagy kihívás és attól csak csökken a kimenő teljesítmény, így a driver melegedése is.
A maximális érték behatárolt, a korábbi esetben például 68 V x 300 mA, hiszen erre vannak méretezve az alkatrészek, legfeljebb / elvileg.
Itt a 68-as szám is abból adódik például, hogy 20-as szorzóval 3,4 V max. elvileg.
-
demars
addikt
Van itthon egy régi hifi, kazetta és CD része már nem működik. PC re kötve használja öcsém.
Egy ilyen kompakt egységbe bele lehet aplikálni egy Bluetooth vevő egységet?
Hestoren kapni kis vevőket.
Gondolatmenetem: a tápot meg kell oldanom, külön dc dc konverterre gondoltam (vagy egy kisebb tápegység)
A kimeneti jelet kellene ráillesztenem. Pl a kazettás rész nem működik, így azt fel tudnám használni. Ez járható út? -
-
válasz
Dr. Szilikát
#92222
üzenetére
akkor milyen jól jön, hogy a driver rugalmasan lejjebb engedi a feszültséget, miközben áramra stabilizál.
Ez miért jó? Úgy tudtam, hogy CC módban nagyjából mindegy a LED-eket meghajtó feszültség, amíg a nyitó feszültség fölött marad.
-
ecaddsell
aktív tag
válasz
Dr. Szilikát
#92222
üzenetére
300mA-es áramkorláttal ment a két táp (nincs olyan tápom ami egyben tudta volna ezt a feszt) és pont el tudtam menni a maxig (32V-os táp).
18db 1W-os LED aminek vsz. egész jó lehet a hűtése (mert egy elég nagy fémtestről beszélünk).
Ennek ellenére tény, hogy nem tudom kizárni, hogy legközelebb majd nem valamelyik LED hal be.
Van pár akkus lámpám, azok brutális terhelést kapnak, ha maxra kapcsolom mégis bírják (még).leweegee
Ezt a megoldás úgy gány ahogy van, egy U alakú lemezbe betették a panelt az aljára tettek egy szigetelő lapot és az egészet kiöntötték valami lágy szilikonnal. Nem tudnám megismételni. -
Dr. Szilikát
őstag
válasz
ecaddsell
#92221
üzenetére
Még jó a LED, de legközelebb azzal is lehet gond. Ha 300 mA alatt terheled, fényerőben lehet, hogy az is megfelel, de kevésbé melegszik, tovább élhet.
Ha labortáppal elindult, akkor be lehet azonosítani a nyitófeszültséget is. Azaz nem kell 36-68 V között szabályozni képes driver, szűkebb tartomány is megfelel. Kell bizonyos mozgástér, hogy követni tudja a hőfokváltozással járó nyitófeszültség-változást, de nem ekkora.
Bár ennek másik oldala, TV-nél is előfordul, hogy pár LED zárlatos lesz a soros körben, akkor milyen jól jön, hogy a driver rugalmasan lejjebb engedi a feszültséget, miközben áramra stabilizál.
Egyébként megterhelted 300 mA árammal? Azzal is lehet szívni, amikor kisebb áramon még jó a LED, nagyobb áramot már nem bír, beleszakad. És direkt megszívat, mert utána kisebb áramon ismét működik és azt hiszed, hogy jó.
-
ecaddsell
aktív tag
válasz
Barret001
#92220
üzenetére
De nem a LED ment tönkre, hanem a driver és az sem az áramtól, hanem jó eséllyel valamelyik kondiban az elektrolit elfáradt.
Amikor ilyet kondit cserélek persze mindig 105 fokosra cserélem, de nem vagyok meggyőződve még arról sem, hogy önmagában a hőmérséklet a bűnös, hanem az elektrolit nem bírja a kapcsolások nagy számával járó terhelést.
Sajnos bármi ilyen modult veszek lutri és nem hiszem, hogy tovább bírja mint amit kicserélek.
Ez a probléma már évtizedek óta megvan, komolyabb régi műszerek javítását nagy nevű gyártóktól is azzal szokták kezdeni, hogy a kondikat kicserélik (angolul recap), pedig ott még a kapcsolóüzemű tápok sem voltak annyira elterjedve mint most... -
ecaddsell
aktív tag
Van két fürdőszobai LED lámpánk (Elmark Posseidon 18W) amiből 7 év után a második is tönkrement.
Tavaly mikor az első tönkrement vettem egy újat, jó ha van tartalék alapon (meg akkor időm sem volt vele foglalkozni), de most már látom, hogy ez ilyen minőség.
Gyárilag 30000 óra van megadva rá, jó ha ennek tizedét ment (3000 óra).
Az új ára a cuccnak botrányos, 30k környékén van hirdetve, de ahol kapni is lehet inkább a 40k-hoz van közelebb...Szétszedtem és ahogy sejthető is volt nem a ledek mentek tönkre, hanem a driver (két labortápot sorba kötve kb. 63-64V-ról teljesen jól világít, 300mA-es áramgenerátoros cucc).
Ami miatt ide jöttem, hogy elég speciális kis hasáb a driver, 60x25x25mm és ha készen lehet ilyet kapni akár az Alin akkor inkább vennék egy újat mint javítgassam (minden ilyesmi tápnál az elkok cseréje megoldotta eddig, de itt nem teljesen vannak szabadon az alkatrészek, gusztustalan az egész megoldás).
Valami fekete szilikon szerű dologgal volt kiöntve, azt nagyjából leszedtem, hogy ki tudjam a led vezetékét forrasztani.

Amit találtam ilyet pl. Fulgur néven kicsit nagyobb, nem vagyok benne biztos, hogy befér...
-
Reggie0
félisten
Szerintem ne a bejovo tapot kapcsold, hanem komparatorral tiltsd le a BR/CTL labat felhasznalva, amig el nem er egy adott feszultseget.
Amugy megszokott problema ez a tapoknal, pl. egy rakat recom dc-dc is lockupol, ha lassan emelkedik a fesz. Raadasul van ami elindul, csak a szabalyozas nem, igy max feszre ter ki, nem a bealltottra.
-
Tamy
őstag
válasz
Reggie0
#92211
üzenetére
Igen, ez egy lehetséges magyarázat. Az ellenállás növelésén már gondolkodtam, jellemzően 8 V-nál nagyobb bemenő feszültségről üzemeltetem, nem hinném, hogy gond lenne, ha kicsit megnövelném. Bár most kiváltottam Zener diódával, így ez a része rendben van (ezt inkább ideiglenes megoldásnak szántam), de lehet, hogy visszaalakítom.
Viszont a fenti hsz.-em második része fájóbb, és bármikor reprodukálható: ha lassan emelkedik a bemeneti feszültség, akkor hiába ér el bármekkora szintet, nem kpcsol be a táp. Mindenféle elékötött LVC modullal próbálom elérni, hogy csak a megfelelő feszültségszint elérésekor kerüljön rá a step up/down modulra, de így sem minden esetben működik. Jó lenne tudni ennek is az okát.
-
Reggie0
félisten
A rovidzarvedelem hiccup jellegu, azaz ha triggerel, akkor kikapcsol teljesen es idokozonkent megprobal bekapcsolni. Valoszinuleg ennel a fesznel mar a kimeneten levo kondinak a toltese rovidzarba viszi, de mire ujra megprobalja, addigra kisul a kondi. Erdemes lenne szkoppal megnezni, hogy mi tortenik. Gyors megoldasnak megprobalhatod az elotte levo 15 Ohmos ellenallast mondjuk 30-ra cserelni, az korlatozza a rovidzarlatot.
-
Dr. Szilikát
őstag
válasz
demars
#92202
üzenetére
Némelyik laptoptápban is használták, vagy használhatják, a 3-lábú tranzisztorhoz hasonló tokozásában például.
A tápdugó középső vékony tűjére csatlakozik (ID-pin), azon keresztül információt olvas ki a laptop, hogy eredeti tápegység, megfelelő feszültség stb. Ha pedig nem tetszik a rendszernek, hogy mi újság van, akkor nem hajlandó együttműködni.
-
Dr. Szilikát
őstag
Tapasztaltam bizonyos zavarokat az XL4015 CC/CV modul beszabályzása közben is, amikor váratlanul leáll, mintha nem úgy viselkedne, mint egy igazi CC/CV labortáp. Lehet, hogy az LM358 áramfigyelő valamitől kiakad, pontos okára nem jöttem rá, mindamellett a modul hasznos, ha már belőttük, végzi a dolgát.
Továbbá nálad az FP5139 Soft Start funkciója okozhat még gondot. Nem tudom, hogy 2. lábon 100 nF milyen változást hozna, vagy be kellene avatkozni ennek a lábnak a feszültségébe, de az milyen hátrányos következménnyel járna, mivel eléggé megvariálták, hogy a túláramvédelmet is ez a láb kezeli.
-
-
Tamy
őstag
Adott ez az FP5139-en alapuló step up/down konverter:
Két gondom van vele, az egyik, hogy kb. 14 V körüli bemenő feszültség esetén letilt, erre olvastam valahol, hogy a panel tápellátásáért felelős M5350B cseréje Zener diódára (a hozzá tartozó R1 ellenállás cseréjével együtt) orvosolja. Ez valóban így van, viszont az okát nem értem, az M5350B adatlapja szerint 35 V bemenő feszültségig elvan, mégis letilt kb. 14 V felett. A panel saját áramfelvétele biztosan nem éri el a limitet, maximum az LDO túlmelegedés elleni védelme kapcsolhat le, bár amint lejjebb csökken a bemenő feszültség, a kimenetén újra megjelenik az 5 V.A másik, zavaróbb problémám, hogy ha lassan emelkedik a bemenő feszültség, akkor a kimeneten beállított feszültség nem jelenik meg, hiába érte el a bemenő oldal akár már a 20 V-ot is, míg ha gyorsan emelkedik (vagy kerül rákapcsolásra), akkor rendben működik. Ennek okára még nem sikerült rájönnöm.
-
válasz
demars
#92204
üzenetére
Nem egyedi dolog, van pl. hőmérséklet szenzor is hasonló megoldással (1-wire).
A nyomtatópatronnál arra használják, hogy ne lehessen a patront utántölteni, vagy utángyártott patront használni a gépbe (nyilván minőségbiztosítási okból, nem a haszon maximalizálása érdekében 😏). Gondolom gyártói azonosító lehet benne, meg a tintaszintet írták bele a használat során.
-
demars
addikt
Ezt mire használják iparban? Illetve egy szinte ugyan ilyen IC van a cégnél a dátumozó gépek tinta és oldószer patronjaiban?
Ha esetleg valakinek kellene ilyen (hasonló), szívesen küldök (kidobjuk a használt patronokat), szépen ki lehet venni a kis nyákot amire ültetve van. -
[w]
őstag
válasz
sirdond
#92200
üzenetére
árban tudunk még feljebb menni, ha nem jó

Új hozzászólás Aktív témák
- Apple iPad Mini 6 64GB,Átlagos,Töltővel,12 hónap garanciával
- HIBÁTLAN iPhone 12 Mini 128GB Purple -1 ÉV GARANCIA - Kártyafüggetlen, MS3631,94% Akkumulátor
- Honor 90 512GB, Kártyafüggetlen, 1 Év Garanciával
- HIBÁTLAN iPhone 12 Pro 512GB Gold -1 ÉV GARANCIA - Kártyafüggetlen, MS3684, 100% Akkumulátor
- Hp Zbook 15 G5 15,6" FHD/ i7-8850H, 32GB, 512GB SSD, Quadro P2000, Magyar- Win11
Állásajánlatok
Cég: Promenade Publishing House Kft.
Város: Budapest
Cég: PCMENTOR SZERVIZ KFT.
Város: Budapest












, de annyi pénzből, amennyibe egy ilyen kerül, legyártatom a PCB-t Kínában, minden lehetséges összeköttetéssel, igaz nem fog világítani és kell egy külön szekrény, ahol tudom őket tárolni 


Nem volt teljesen világos, hogy a számoló egység nem számol jól, vagy az órajel generátor nem pontos, de ez utóbbi a valószínű.









